Запчасти Case IH MAXXUM 110 (35.100.AR[01]) - VAR - 396844, 743685, 743686, 743733 - HYDRAULIC LIFT, PIPE (35) - HYDRAULIC SYSTEMS

Схема запчастей Case IH MAXXUM 110 - (35.100.AR[01]) - VAR - 396844, 743685, 743686, 743733 - HYDRAULIC LIFT, PIPE (35) - HYDRAULIC SYSTEMS
9
4
8
home
10
1
37.110.ap (01)
7
3
5
11
21.120.ab (01)
35.204.be (01)
2
6
FIT
1:1
100%

Артикул

Название

Примечание

Количество

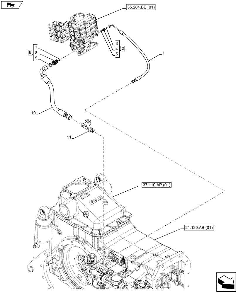
1

84469388

FLEXIBLE HOSE

1шт.

2

86593173

HYD CONNECTOR,9/16"-18 ORFS x M12 x 1.5 ORB

ASSY, Incl. 3 - 5

1шт.

3

86598098

O-RING,2.2mm Thk x 9.3mm ID, Cl 6, 90 Duro

1шт.

4

NSS

NOT SOLD SEPARAT

Connector, Incl in 2

1шт.

5

9825770

O-RING,0.07" Thk x 0.301" ID, -11, Cl 6, 90 Duro

1шт.

6

5197215

HYD CONNECTOR,1"3/16-12 ORFS x M27 x 2 ORB

ASSY, Incl. 7 - 9

1шт.

7

5185513

O-RING,1.78mm Thk x 18.77mm ID, 85 Duro

1шт.

8

NSS

NOT SOLD SEPARAT

Connector, Incl in 6

1шт.

9

14438185

O-RING,24mm ID x 3mm

1шт.

10

47415595

HOSE,19.05mm ID x 705mm L, SAE 100R12

1шт.

11

87738179

TEE,11/16" - 16 ORFS x M14 x 1.5 ORB x M14 x 1.5 JIC

1шт.

Выбрано товаров: 11