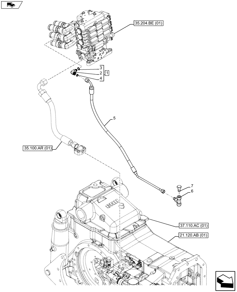
Запчасти Case IH MAXXUM 110 (35.100.AR[03]) - VAR - 396844, 743685, 743686, 743733 - HYDRAULIC LIFT, PIPE (35) - HYDRAULIC SYSTEMS

Схема запчастей Case IH MAXXUM 110 - (35.100.AR[03]) - VAR - 396844, 743685, 743686, 743733 - HYDRAULIC LIFT, PIPE (35) - HYDRAULIC SYSTEMS
6
2
1
21.120.ab (01)
5
7
3
37.110.ac (01)
35.204.be (01)
4
35.100.ar (01)
FIT
1:1
100%

Артикул

Название

Примечание

Количество

1

5188442

HYD CONNECTOR,11/16-16 ORFS x M14 x 1.5 ORB

ASSY Incl 2 - 4

1шт.

2

NSS

NOT SOLD SEPARAT

Elbow, Incl in 1

1шт.

3

14437785

O-RING,11.3mm ID x 2.4mm

1шт.

4

5185510

O-RING,1.78mm Thk x 9.25mm ID, 85 Duro

1шт.

5

84473568

HOSE,8mm ID x 535mm L, SAE 100R12

1шт.

6

83961945

TEE,9/16"-18 ORFS x 9/16"-18 Fem Sw Run

1шт.

7

87668376

CAP,9/16"-18 Inch THD

1шт.

Выбрано товаров: 7