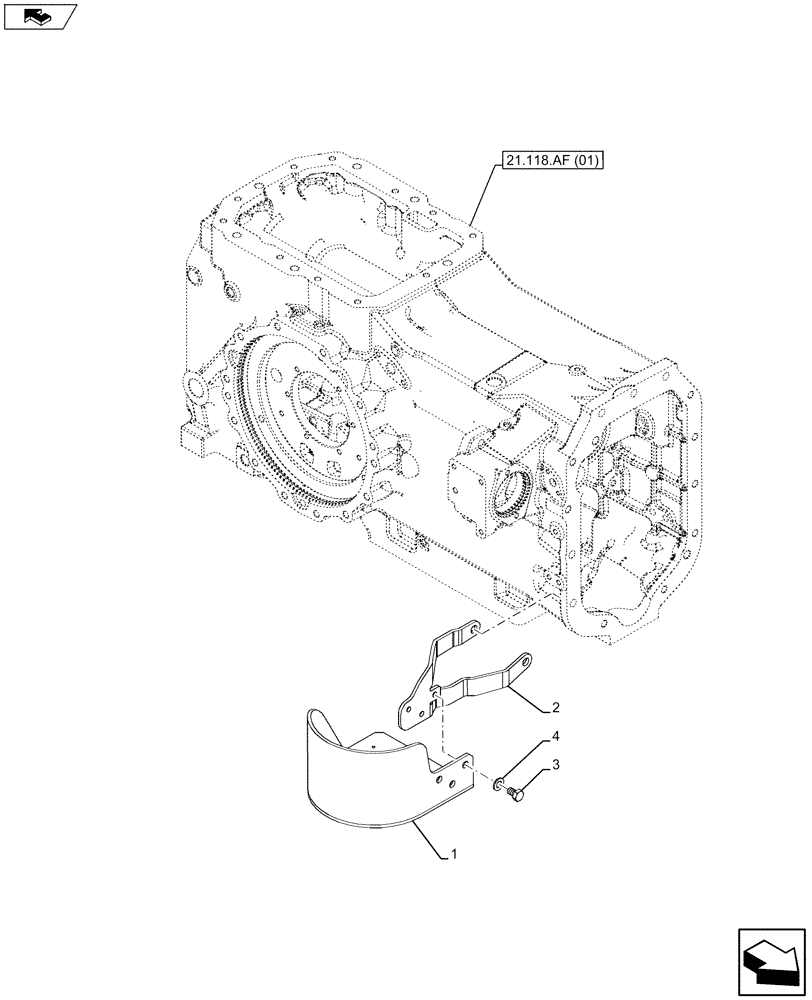
Запчасти Case IH MAXXUM 110 (35.106.AQ) - VAR - 390283 - FILTER, SUPPORT (35) - HYDRAULIC SYSTEMS

Схема запчастей Case IH MAXXUM 110 - (35.106.AQ) - VAR - 390283 - FILTER, SUPPORT (35) - HYDRAULIC SYSTEMS
4
2
21.118.af (01)
1
3
FIT
1:1
100%

Артикул

Название

Примечание

Количество

1

84489647

COVER

1шт.

2

47436376

BRACKET

1шт.

3

11112121

SCREW,Hex, M12 x 20mm, Cl 8.8, Full Thd

3шт.

4

14496724

WASHER,13mm ID x 24mm OD x 2.5mm Thk

3шт.

Выбрано товаров: 4