Запчасти Case IH MAXXUM 110 (35.204.BS[07]) - DIRECTION CONTROL VALVE - COMPONENTS (35) - HYDRAULIC SYSTEMS

Схема запчастей Case IH MAXXUM 110 - (35.204.BS[07]) - DIRECTION CONTROL VALVE - COMPONENTS (35) - HYDRAULIC SYSTEMS
4
1
5
2
4
3
8
9
4
4
4
5
5
4
6
5
4
7
FIT
1:1
100%

Артикул

Название

Примечание

Количество

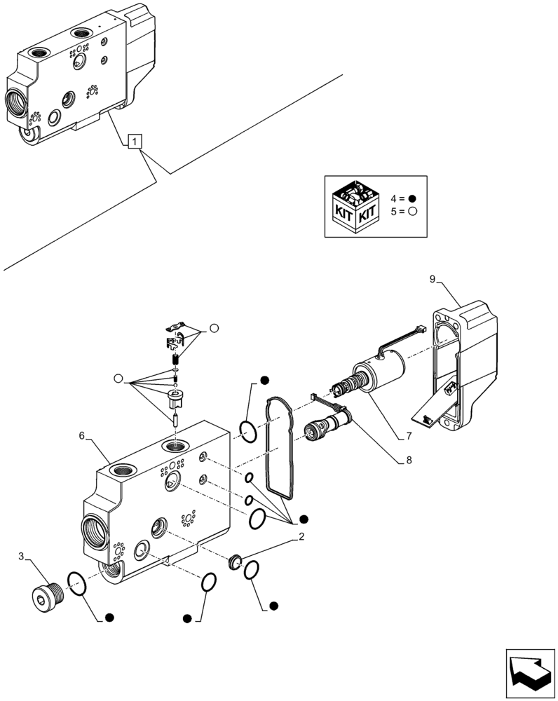
1

84381608

HYD VALVE SECTION

ASSY, Incl. 2 - 9

1шт.

1

84381608R

REMAN-HYD VALVE

Reman ASSY, Incl. 2 - 9

1шт.

1

84381608C

CORE-VALVE HYD

Core Return Number

1шт.

2

84279974

VALVE POPPET

1шт.

3

47554943

PLUG

1шт.

4

47554912

SEAL KIT

1шт.

5

47554915

SPRING KIT

1шт.

6

NSS

NOT SOLD SEPARAT

Valve Housing

1шт.

7

NSS

NOT SOLD SEPARAT

Coil

1шт.

8

NSS

NOT SOLD SEPARAT

Solenoid

1шт.

9

NSS

NOT SOLD SEPARAT

Cover

1шт.

Выбрано товаров: 11