Запчасти Case IH MAXXUM 110 (41.200.CO[03]) - VAR - 330661, 336631, 743723 - FAST STEERING - VALVE (41) - STEERING

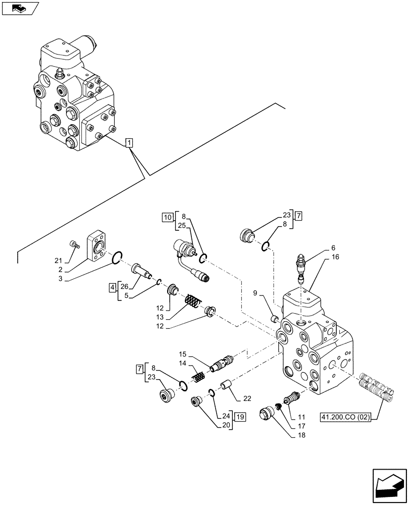
Схема запчастей Case IH MAXXUM 110 - (41.200.CO[03]) - VAR - 330661, 336631, 743723 - FAST STEERING - VALVE (41) - STEERING
17
11
26
15
20
22
3
10
2
8
24
6
25
4
5
12
23
8
9
13
23
home
8
16
1
19
41.200.co (02)
7
7
14
21
18
12
FIT
1:1
100%

Артикул

Название

Примечание

Количество

1

87589947

HYDRAULIC VALVE

ASSY, Incl 2 - 22

1шт.

2

47128848

FLANGE

1шт.

3

14453981

O-RING,0.989" ID x 0.07" Width

1шт.

4

47128851

PIN,Hex Socket, M8 x 25.00mm

ASSY, Incl 5, 26

1шт.

5

47129253

SEALING RING

1шт.

6

87560591

ELECTRIC CABLE

Pin, Incl in 4

1шт.

7

47128844

PLUG

ASSY, Incl 8, 23

2шт.

8

14457381

O-RING,17.12mm ID x 2.62" Width

1шт.

9

10269401

PLUG,Taper Thd, Hex Skt, M12 x 1.5 x 11mm, 4.8

1шт.

10

47128860

SENSOR

ASSY, Incl 8, 25

1шт.

11

87705325

VALVE

2шт.

12

47128852

BUSHING

2шт.

13

47128855

SPRING

1шт.

14

47128856

SPRING

1шт.

15

87705323

SPOOL

1шт.

16

NSS

NOT SOLD SEPARAT

Body Valve, Incl in 1

1шт.

17

87705326

VALVE SPRING

2шт.

18

87705327

PLUG

2шт.

19

47128841

PLUG

ASSY, Incl 20, 24

1шт.

20

14452980

O-RING,9.25mm ID x 1.78" Width

1шт.

21

14305773

SCREW,M6 x 14mm

4шт.

22

13804421

SET SCREW,Hex Skt, M5 x 6mm, Flat Pt

1шт.

23

NSS

NOT SOLD SEPARAT

Plug, Incl in 7

2шт.

24

NSS

NOT SOLD SEPARAT

Plug, Incl in 19

1шт.

25

NSS

NOT SOLD SEPARAT

Tansducer, Incl in 10

1шт.

26

NSS

NOT SOLD SEPARAT

Pin, Incl in 4

1шт.

Выбрано товаров: 26