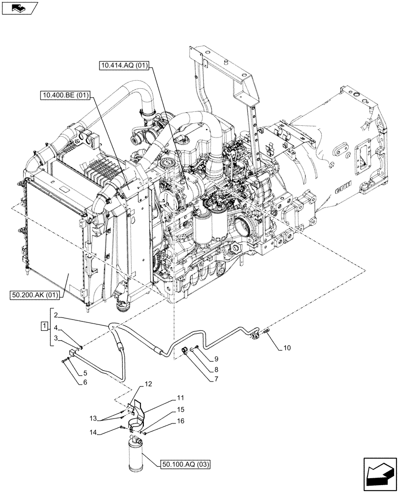
Запчасти Case IH MAXXUM 110 (50.100.AQ[05]) - VAR - 330643 - A/C & HEATER HOSES - 4CYL (50) - CAB CLIMATE CONTROL

Схема запчастей Case IH MAXXUM 110 - (50.100.AQ[05]) - VAR - 330643 - A/C & HEATER HOSES - 4CYL (50) - CAB CLIMATE CONTROL
9
home
1
4
50.100.aq (03)
13
10.414.aq (01)
10.400.be (01)
10
8
16
7
12
14
50.200.ak (01)
6
5
3
15
2
11
FIT
1:1
100%

Артикул

Название

Примечание

Количество

1

47418352

A/C HOSE

From Condenser to Compressor, ASSY, Incl 2 - 4

1шт.

2

NSS

NOT SOLD SEPARAT

Tube, Incl in 1

1шт.

3

10319183

O-RING,13.1mm ID x 1.6mm Width

1шт.

4

14450683

O-RING,10.8mm ID x 2.4mm Width

1шт.

5

10519401

WASHER,6.4mm ID x 11.95mm OD x 1.6mm Thk

1шт.

6

86977786

BOLT,Hex, M6 x 1 x 25mm, Cl 8.8

1шт.

7

10441490

COLLAR,14mm, Coat, 7mm Bolt Hole, P Type

1шт.

8

10523401

WASHER,6.15mm ID x 18mm OD x 2mm Thk

2шт.

9

81853129

SCREW,Pozidriv Pan Hd, M6 x 16mm, Cl 4.8, Full Thd

1шт.

10

86625220

HEX SOC SCREW,M8 x 25mm, Cl 8.8

1шт.

11

87750158

BRACKET

1шт.

12

84233849

BRACKET

1шт.

13

86639293

HEX SOC SCREW,M4 x 12mm, Cl 8.8

2шт.

14

10902424

SCREW,Hex, M6 x 20mm, Cl 8.8, Full Thd

1шт.

15

10516474

LOCK WASHER

1шт.

16

12574211

NUT,M6 x 1, Cl 8

1шт.

Выбрано товаров: 16