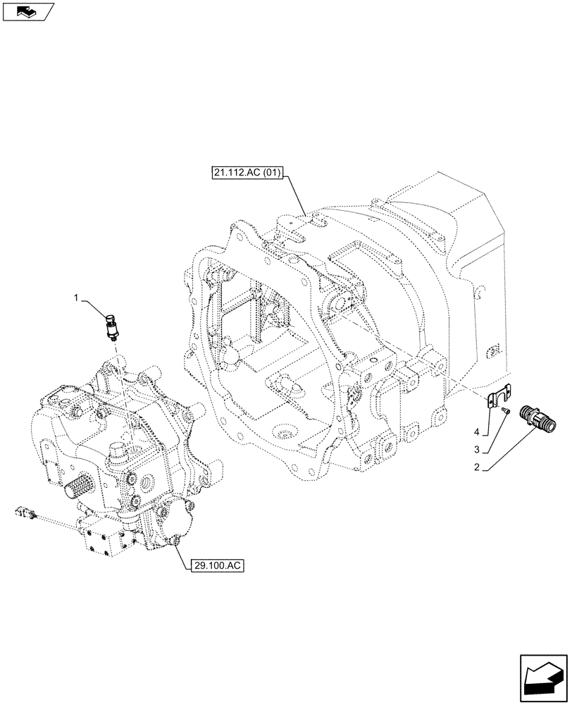
Запчасти Case IH MAXXUM 110 (55.021.AB[01]) - VAR - 390283 - TRANSMISSION PRESSURE SENSOR (55) - ELECTRICAL SYSTEMS

Схема запчастей Case IH MAXXUM 110 - (55.021.AB[01]) - VAR - 390283 - TRANSMISSION PRESSURE SENSOR (55) - ELECTRICAL SYSTEMS
4
29.100.ac
1
home
2
21.112.ac (01)
3
FIT
1:1
100%

Артикул

Название

Примечание

Количество

1

84407725

PRESSURE SWITCH

Pressure Transducer

1шт.

2

84301914

WIRE HARNESS

Gport

1шт.

3

14305121

HEX SOC SCREW,M6 x 12mm, Cl 8.8

2шт.

4

84151129

BRACKET

1шт.

Выбрано товаров: 4