Запчасти Case IH MAXXUM 110 (05.100.03[01]) - FILTERS (05) - SERVICE & MAINTENANCE

Схема запчастей Case IH MAXXUM 110 - (05.100.03[01]) - FILTERS (05) - SERVICE & MAINTENANCE
home
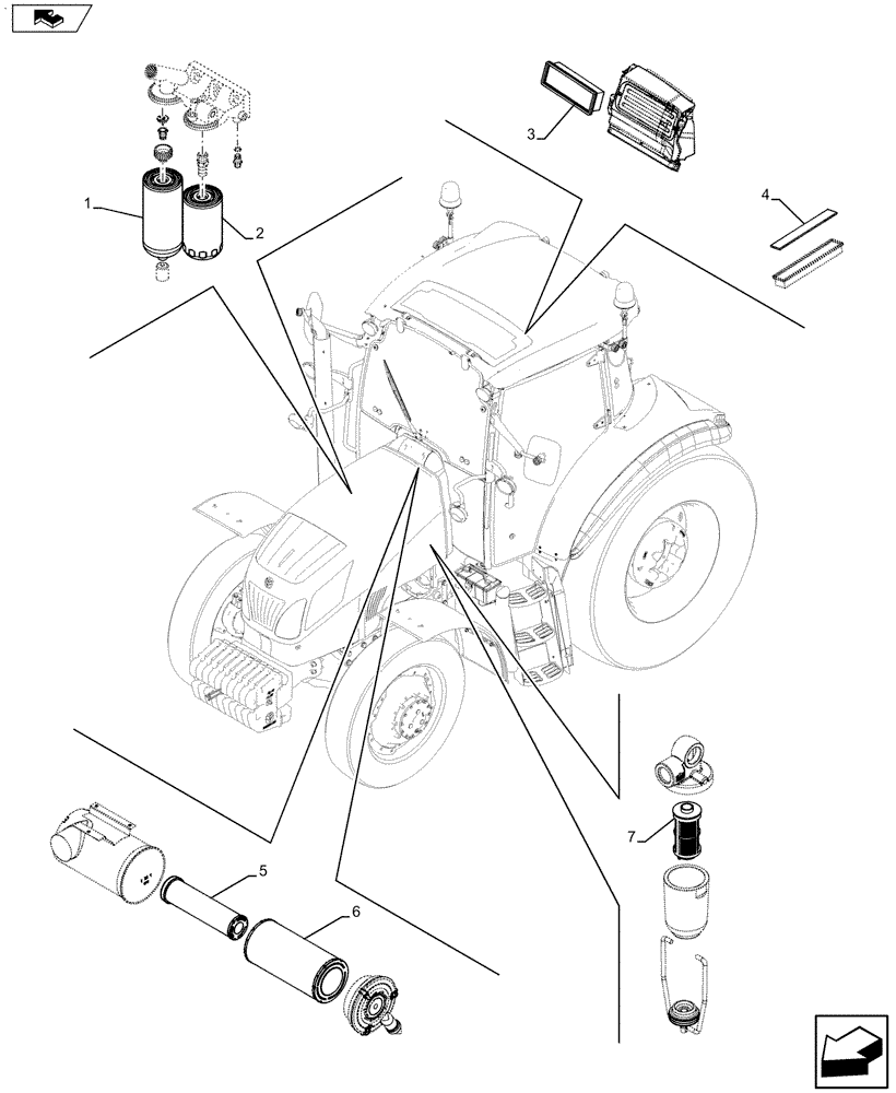
5
2
4
1
7
6
3
FIT
1:1
100%

Артикул

Название

Примечание

Количество

1

84278636

FUEL FILTER,96.2mm OD x 183mm L, M16x1.5 - 6H, W/ WIF Sensor (M14)

Fuel Filter, Engine

1шт.

2

4897897

FUEL FILTER

Fuel Filter, Engine

1шт.

3

87726699

CAB FILTER,Fresh Air, 380mm x 130mm x 49mm, Paper

Air Recirculation Cab

1шт.

4

87726694

FOAM

Pre-filter Recirculation Air Cab

1шт.

5

82028149

AIR FILTER

Air Cleaner, Secondary Filter

1шт.

6

82028148

AIR FILTER

Air Cleaner, Primary Filter

1шт.

6

82028976

AIR FILTER

Air Cleaner, Primary Filter

1шт.

7

84328598

FUEL FILTER,40mm OD x 109mm L, M14 x 1.5, 350 Microns

Fuel, Lines Tank

1шт.

Выбрано товаров: 8