Запчасти Case IH MAXXUM 110 (55.518.AZ[03]) - VAR - 330520, 331515, 331520, 392500, 743729 - WINDSHIELD, WIPER MOTOR (55) - ELECTRICAL SYSTEMS

Схема запчастей Case IH MAXXUM 110 - (55.518.AZ[03]) - VAR - 330520, 331515, 331520, 392500, 743729 - WINDSHIELD, WIPER MOTOR (55) - ELECTRICAL SYSTEMS
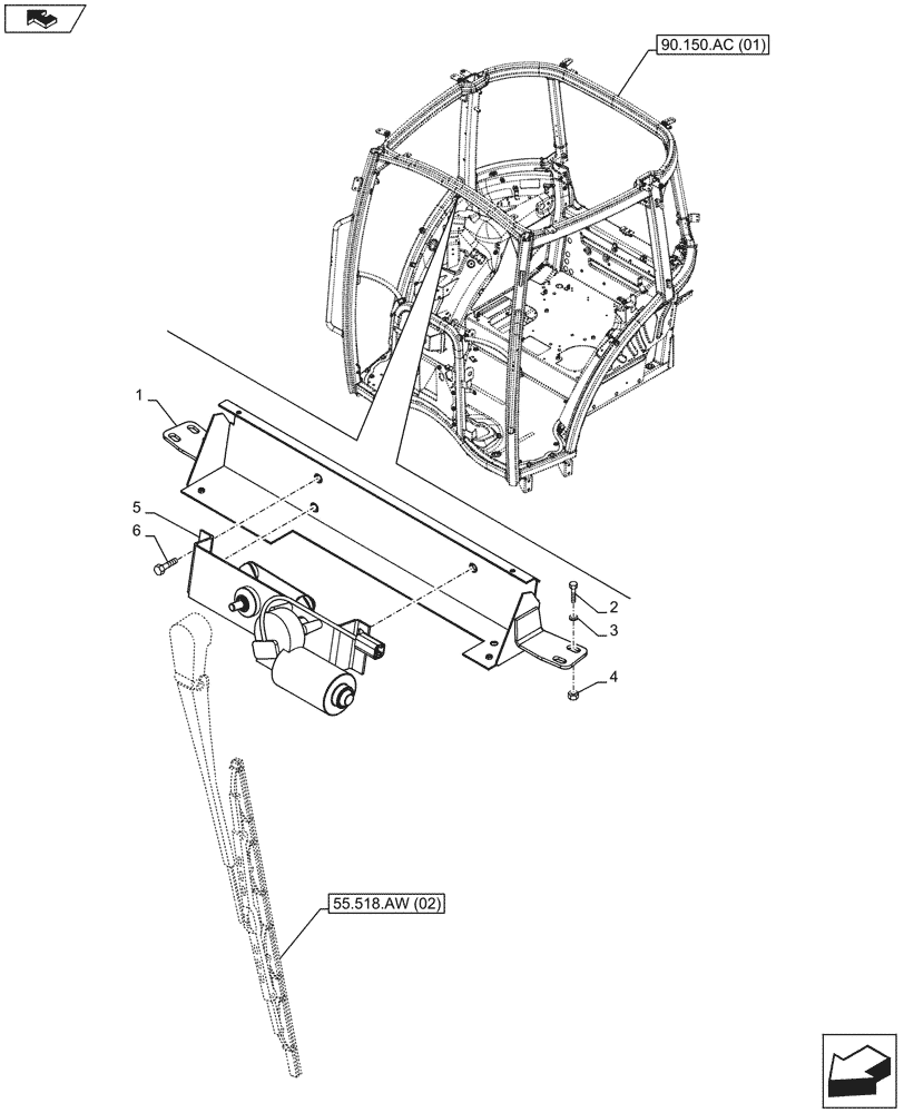
90.150.ac (01)
4
2
6
3
1
5
home
55.518.aw (02)
FIT
1:1
100%

Артикул

Название

Примечание

Количество

1

84275896

SUPPORT

1шт.

2

16043421

BOLT,Hex, M8 x 1.25 x 20mm, Cl 8.8, Full Thd

4шт.

3

14496501

WASHER,8.4mm ID x 17mm OD x 1.6mm Thk

4шт.

4

16100811

NUT,Hex, M8, 6.80mm, Cl 8, ZND

4шт.

5

82032050

WIPER MOTOR,12V

Windshield Front

1шт.

6

16043021

SCREW,Hex, M8 x 1.25 x 12mm, Cl 8.8, Full Thd

3шт.

Выбрано товаров: 6