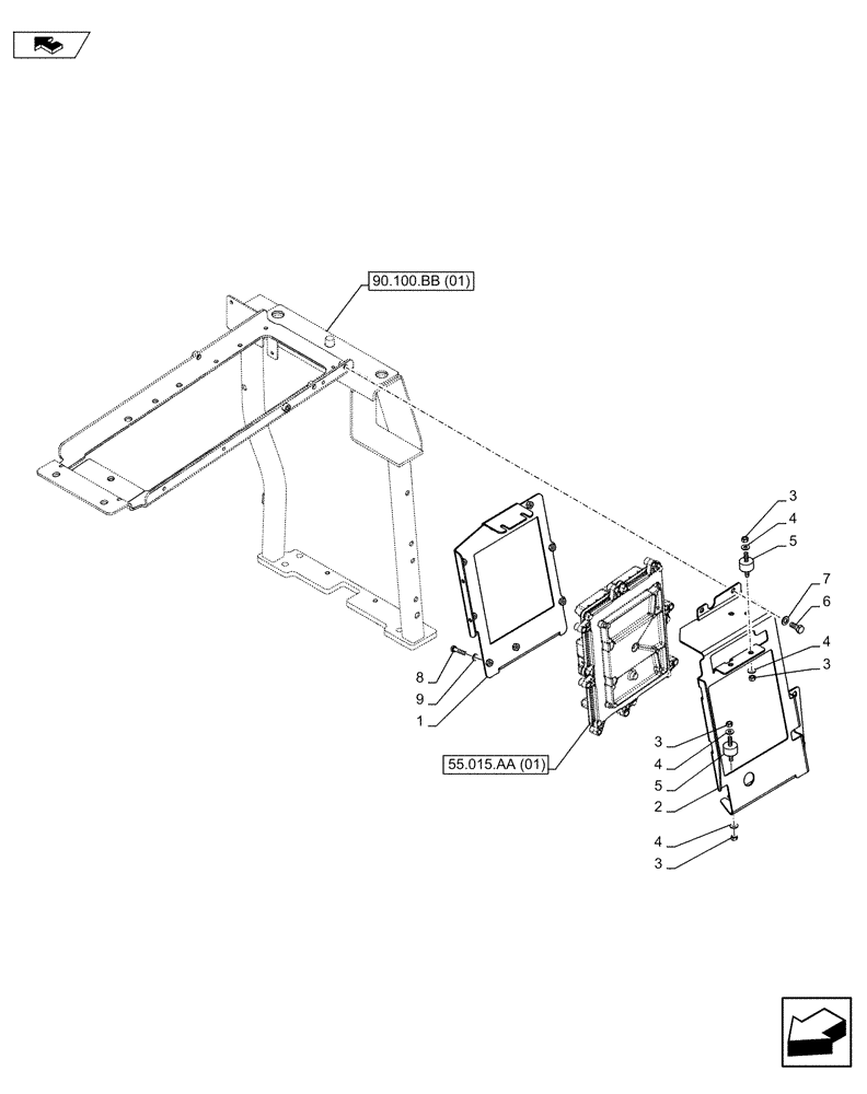
Запчасти Case IH MAXXUM 110 (90.100.AR) - VAR - 330643, 390643 - ECU SUPPORT (90) - PLATFORM, CAB, BODYWORK AND DECALS

Схема запчастей Case IH MAXXUM 110 - (90.100.AR) - VAR - 330643, 390643 - ECU SUPPORT (90) - PLATFORM, CAB, BODYWORK AND DECALS
8
5
3
4
7
4
home
90.100.bb (01)
9
3
5
2
1
3
4
55.015.aa (01)
6
3
4
FIT
1:1
100%

Артикул

Название

Примечание

Количество

1

84557244

BRACKET

1шт.

2

84557323

SUPPORT

1шт.

3

15896211

NUT,M6, Cl 8

8шт.

4

322357

BELLEVILLE WASHER,M6 Bolt Size x 14mm OD x 1.3mm Thk

8шт.

5

84341086

DAMPER,M6 x 51mm, 25mm OD

4шт.

6

120104

BOLT,Hex, M8 x 1.25 x 20mm, Cl 8.8

4шт.

7

86624184

WASHER,9mm ID x 16mm OD x 1.6mm Thk

4шт.

8

86588450

WASHER,6.6mm ID x 12mm OD x 1.6mm Thk

8шт.

9

43117

SCREW,Hex, M6 x 1.0 x 30mm, Cl 8.8

8шт.

Выбрано товаров: 9