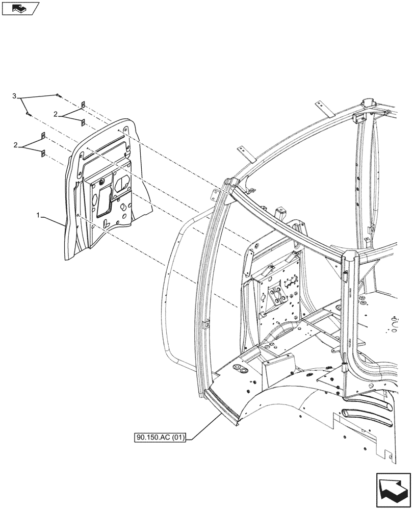
Запчасти Case IH MAXXUM 110 (90.105.CQ[01]) - VAR - 331659, 335077, 338928, 391658 - BULKHEAD, INSULATING PANEL (90) - PLATFORM, CAB, BODYWORK AND DECALS

Схема запчастей Case IH MAXXUM 110 - (90.105.CQ[01]) - VAR - 331659, 335077, 338928, 391658 - BULKHEAD, INSULATING PANEL (90) - PLATFORM, CAB, BODYWORK AND DECALS
90.150.ac (01)
home
2
3
2
1
FIT
1:1
100%

Артикул

Название

Примечание

Количество

1

47438391

BULKHEAD

1шт.

2

87597721

SPRING NUT

4шт.

3

87635853

STUD,7.1mm D

2шт.

Выбрано товаров: 3