Запчасти Case IH MAXXUM 110 (90.156.AB[02]) - VAR - 391610 - REAR, WINDOW (90) - PLATFORM, CAB, BODYWORK AND DECALS

Схема запчастей Case IH MAXXUM 110 - (90.156.AB[02]) - VAR - 391610 - REAR, WINDOW (90) - PLATFORM, CAB, BODYWORK AND DECALS
90.150.ab (01)
8
26
1
20
17
4
3
26
10
26
13
26
9
6
16
11
4
2
21
18
11
15
12
24
23
23
8
14
19
5
22
9
5
7
22
15
25
27
4
10
4
90.150.ab (02)
home
FIT
1:1
100%

Артикул

Название

Примечание

Количество

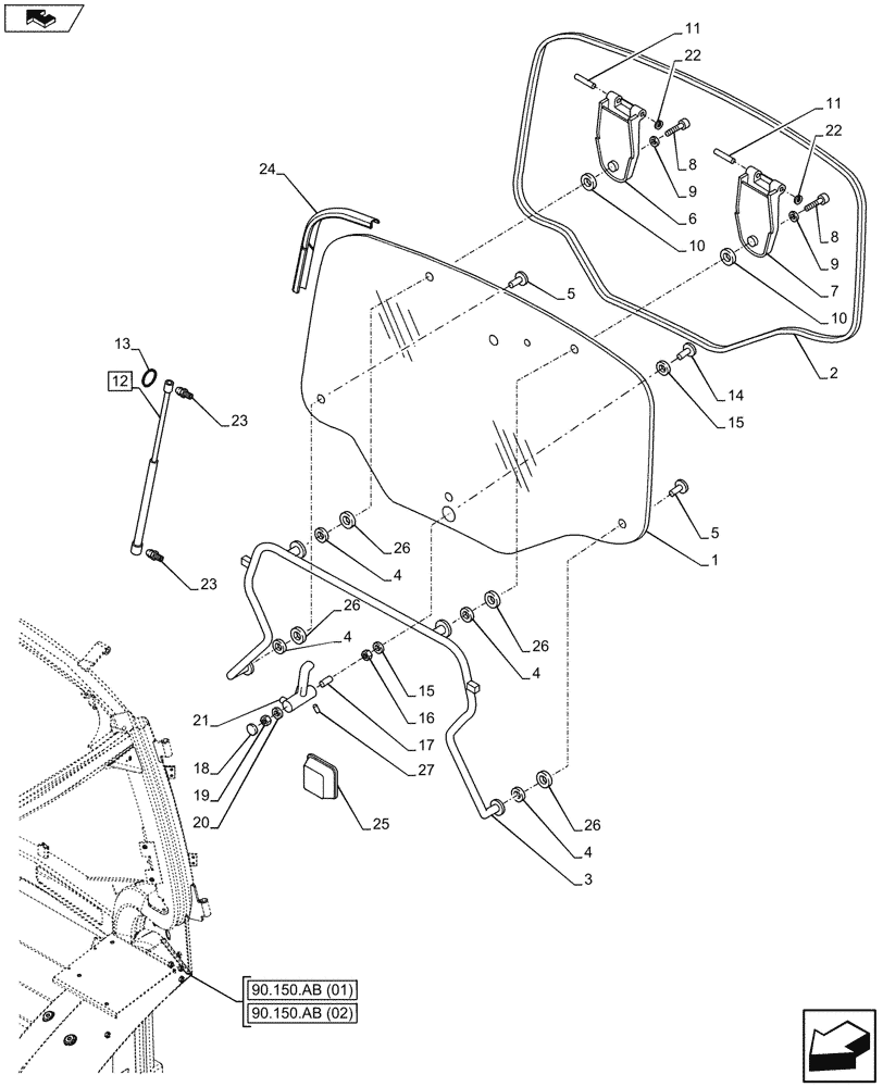
1

87744542

GLASS

1шт.

2

82027998

WEATHERSTRIP,4125mm L

1шт.

3

82030829

HANDLE

1шт.

4

81868323

SEALING WASHER,8.1mm ID x 36mm OD x 5.3mm Thk

4шт.

5

82013304

SCREW,Pan HD, M8 x 22mm

2шт.

6

82034266

HINGE

1шт.

7

82034267

HINGE

1шт.

8

15213321

BOLT,Hex, M8 x 1.25 x 35mm, Cl 8.8

2шт.

9

14496501

WASHER,8.4mm ID x 17mm OD x 1.6mm Thk

2шт.

10

82022441

SHIM,22mm ID x 59.5mm OD x 2mm Thk

2шт.

11

82033133

PIN,17mm OD x 96mm L

2шт.

12

82022486

GAS STRUT,486mm Extended, 286mm Compressed

ASSY, Incl 13

2шт.

13

82019395

SEAL

1шт.

14

47464541

BOLT,M12 x 1.75 x 57mm

1шт.

15

81865223

SEALING WASHER,12.8mm ID x 36mm OD x 6.5mm Thk

2шт.

16

83995286

SEALING WASHER,M12.5 x 35 x 3 Thk

1шт.

17

83995351

SPACER,12mm ID x 16mm OD x 24.1mm L

1шт.

18

83961986

PLUG,30mm

1шт.

19

81853287

NUT,M12 x 1.75, Cl 8

1шт.

20

81865231

WASHER,13mm ID x 24mm OD x 3mm Thk

1шт.

21

87541759

HANDLE

1шт.

22

11088171

SNAP RING,M11

2шт.

23

83952214

BALL STUD,M8 x 29.5mm OAL

4шт.

24

82034552

RUBBER SEAL,1235mm L

1шт.

25

84390533

RUBBER BLOCK,19.8mm L x 19.8mm W x 6.4mm Thk

1шт.

26

44995003

SEALING WASHER,20.0mm ID x 60.0mm OD x 3.0mm Thk

4шт.

27

47435892

GROOVED PIN,4mm OD x 30mm L

1шт.

Выбрано товаров: 27