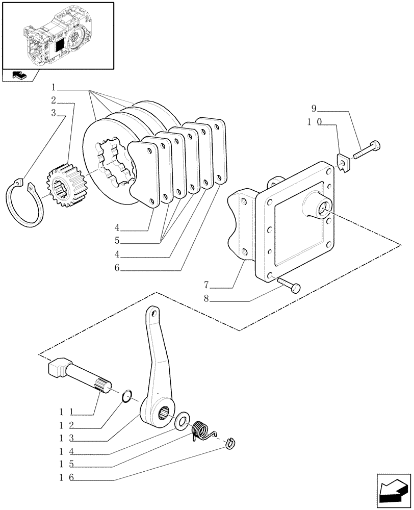
Запчасти Case IH MAXXUM 110 (1.65.5) - PARKING BRAKE (05) - REAR AXLE

Схема запчастей Case IH MAXXUM 110 - (1.65.5) - PARKING BRAKE (05) - REAR AXLE
11
5
2
7
15
16
13
10
1
8
9
12
home
3
4
4
6
14
FIT
1:1
100%

Артикул

Название

Примечание

Количество

1

47127225

BRAKE DISC

4шт.

2

47127223

HUB,34T

1шт.

3

11071876

SNAP RING,M100, Ext

1шт.

4

5199607

BRAKE PAD,3.1mm Thk

2шт.

5

5199788

BRAKE PAD,4.2mm Thk

3шт.

6

47127226

BRAKE PAD,9mm Thk

1шт.

7

47127186

SUPPORT

1шт.

8

15970924

SCREW,Hex, M10 x 1.25 x 35mm, Cl 8.8

6шт.

9

47127227

SCREW,Hex, M14 x 1.5 x 92.5mm

2шт.

10

14199011

LOCKING PLATE

2шт.

11

47127313

LEVER

1шт.

12

14458081

O-RING,1.112" ID x 0.103" Width

1шт.

13

47130368

LEVER

1шт.

14

5198146

SHIM,28.1mm ID x 31.9mm OD x 4mm Thk

1шт.

15

5178904

SPRING

1шт.

16

11067676

SNAP RING,M28, Ext

1шт.

Выбрано товаров: 16