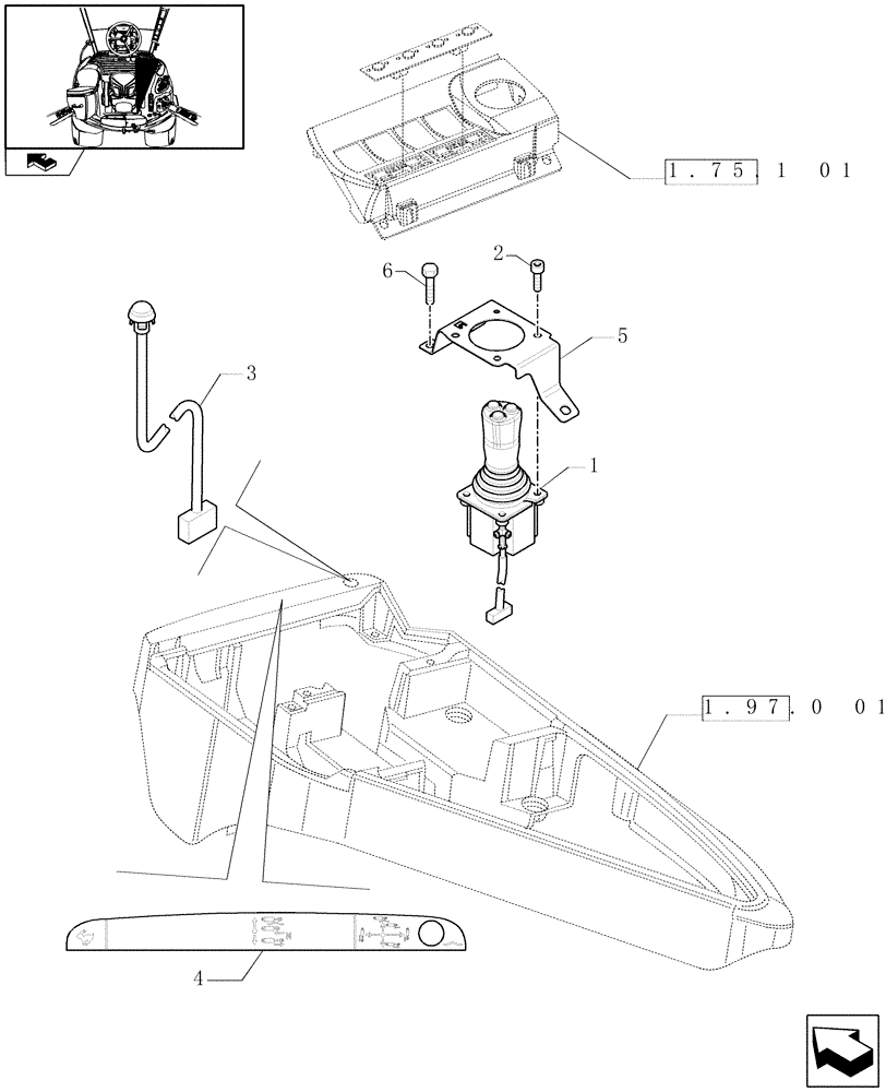
Запчасти Case IH MAXXUM 110 (1.75.1/02) - ELECTRONIC JOYSTICK WITH 3 BUTTONS FOR ANCILLARY SELECTION (VAR.337782) (06) - ELECTRICAL SYSTEMS

Схема запчастей Case IH MAXXUM 110 - (1.75.1/02) - ELECTRONIC JOYSTICK WITH 3 BUTTONS FOR ANCILLARY SELECTION (VAR.337782) (06) - ELECTRICAL SYSTEMS
1
2
1.97.0 01
1.75.1 01
home
4
3
5
6
FIT
1:1
100%

Артикул

Название

Примечание

Количество

1

84208739

JOYSTICK

(With 3 Buttons, Green, Yellow, Black)

1шт.

2

86639293

HEX SOC SCREW,M4 x 12mm, Cl 8.8

4шт.

3

87485775

SWITCH ASSY

1шт.

4

84126448

DECAL

1шт.

5

84202338

BRACKET

1шт.

6

15687901

SELF-TAP SCREW,Cross Pan Hd, M4.2 x 9.50mm

2шт.

Выбрано товаров: 6