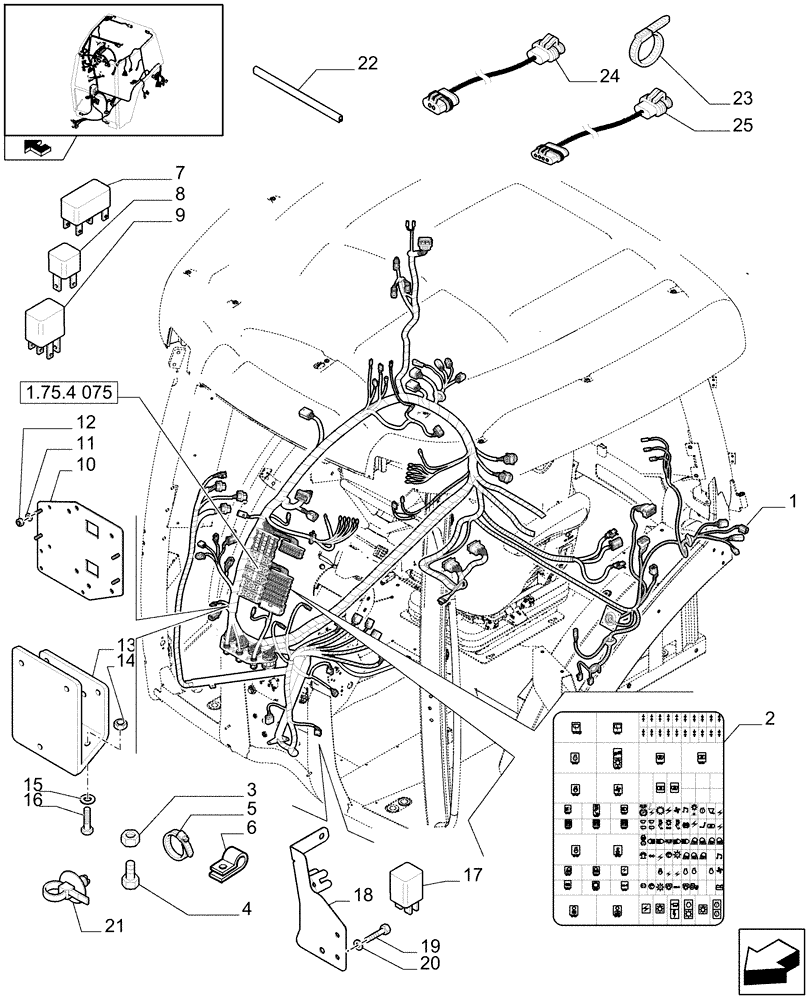
Запчасти Case IH MAXXUM 110 (1.75.4[07]) - CAB CABLE AND RELATIVE PARTS (06) - ELECTRICAL SYSTEMS

Схема запчастей Case IH MAXXUM 110 - (1.75.4[07]) - CAB CABLE AND RELATIVE PARTS (06) - ELECTRICAL SYSTEMS
1.75.4 075
10
23
5
20
25
16
19
4
18
6
7
13
2
11
14
24
8
12
15
22
21
17
1
9
3
home
FIT
1:1
100%

Артикул

Название

Примечание

Количество

1

84194383

WIRE HARNESS

1шт.

2

87738071

DECAL

1шт.

3

83958007

NUT,M8, G8

1шт.

3

15896411

NUT,Hex, M5, 4.70mm High, Cl 8

2шт.

4

120098

BOLT,Hex, M5 x 20, 8.8, Full Thd

2шт.

5

82001040

CABLE TIE,.19" x 11.5"

CABLE STRAP

2шт.

5

82013031

CABLE TIE,193mm L

CABLE STRAP

3шт.

5

529070

CABLE TIE,368.3mm L

CABLE STRAP

2шт.

6

10450990

CLAMP,26mm, Coat, 9mm Bolt Hole, P Type

1шт.

7

87304226

RELAY,12V, Combined, Black

Wiper Timer

1шт.

8

82013124

RELAY,12V, 30A

30A

2шт.

8

82030798

RELAY,12V, 70A

70A

2шт.

9

82023238

RELAY,12V, 20A

1шт.

10

87325625

SUPPORT

Relay Mounting

1шт.

11

12647601

WASHER,6.15mm ID x 16mm OD x 2mm Thk

D=6

4шт.

12

15896221

NUT,Hex, M6, 5.20mm High, Cl 10

4шт.

13

87314581

BRACKET

Module Mounting

1шт.

14

16100811

NUT,Hex, M8, 6.80mm, Cl 8, ZND

3шт.

15

14496501

WASHER,8.4mm ID x 17mm OD x 1.6mm Thk

D=8

3шт.

16

16043221

BOLT,Hex, M8 x 16mm, Cl 8.8, Full Thd

2шт.

17

82017871

RELAY,12V, 20A

2шт.

18

87597230

SUPPORT

1шт.

19

10902221

BOLT,Hex, M6 x 16mm, CL 8.8

2шт.

20

14496404

WASHER,M6 x 12 x 2 Thk

2шт.

21

82033028

CABLE TIE,170mm L

1шт.

22

87617359

PROTECTOR

, Serial Range: -C7166

1шт.

22

84545777

PROTECTION STRIP

, Start Serial: D7166

2шт.

23

82012869

CABLE TIE,300mm L, Nylon, Black

5шт.

24

84549572

WIRE HARNESS

1шт.

25

84538374

WIRE HARNESS

1шт.

Выбрано товаров: 30