Запчасти Case IH MAXXUM 110 (1.92.6) - CAB SUPPORTS (10) - OPERATORS PLATFORM/CAB

Схема запчастей Case IH MAXXUM 110 - (1.92.6) - CAB SUPPORTS (10) - OPERATORS PLATFORM/CAB
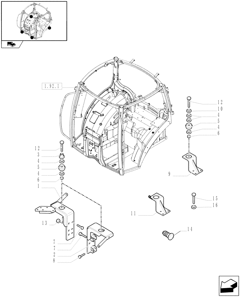
8
2
4
4
10
13
16
1
home
4
6
12
12
7
14
4
5
11
5
15
9
7
1.92.1
3
6
FIT
1:1
100%

Артикул

Название

Примечание

Количество

1

87634989

SUPPORT

RH

1шт.

2

82037590

SUPPORT

LH

1шт.

3

87301788

SPACER

1шт.

4

87302042

SPACER,21mm ID x 120mm OD x 8.7mm L

6шт.

5

83983548

ISOLATOR,120mm OD x 64mm L

4шт.

6

12575121

NUT,M20 x 1.5, Cl 10

4шт.

7

16214424

BOLT,Hex, M14 x 1.5 x 40mm, Cl 8.8

6шт.

8

16214624

SCREW,Hex, M14 x 1.5 x 50mm, Cl 8.8

2шт.

9

87302476

SUPPORT

RH

1шт.

10

14497101

WASHER,M20 x 37 x 3

2шт.

11

87517496

SUPPORT

LH

1шт.

12

15990721

BOLT,Hex, M20 x 1.5 x 180mm, Cl 8.8

2шт.

12

15991421

BOLT,Hex, M20 x 1.5 x 220mm

2шт.

13

15501321

NUT,Hex, M14 x 1.5

2шт.

14

81870039

FASTENER,M8 x 1.5 x 22mm

2шт.

15

15984321

BOLT,Hex, M18 x 1.5 x 50mm, Cl 8.8

8шт.

16

10520321

WASHER,18.4mm ID x 32mm OD x 4mm Thk

8шт.

Выбрано товаров: 17