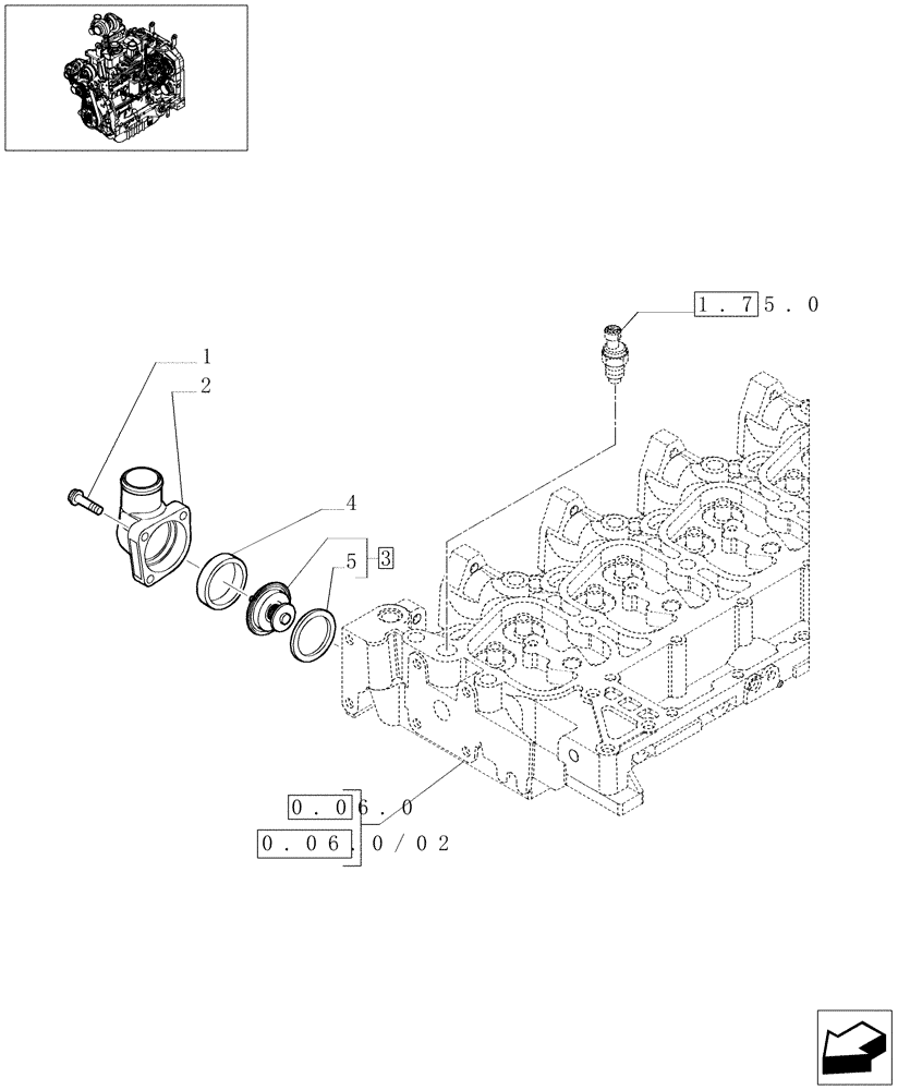
Запчасти Case IH MAXXUM 110 (0.32.6) - THERMOSTAT ENGINE COOLING SYSTEM (STD + VAR.330003-332115-332116) (01) - ENGINE

Схема запчастей Case IH MAXXUM 110 - (0.32.6) - THERMOSTAT ENGINE COOLING SYSTEM (STD + VAR.330003-332115-332116) (01) - ENGINE
2
0.06.0/02
1.75.0
0.06.0
4
5
3
1
FIT
1:1
100%

Артикул

Название

Примечание

Количество

1

4899091

SCREW,Hex Flange Cap, M8 x 1.25 x 40.00mm

3шт.

2

2854354

HOUSING

1шт.

3

504078966

THERMOSTAT

ASSY, OD=60.8mm

1шт.

4

2853133

GASKET,51.5mm ID x 61.5mm OD x 16.5mm Thk

1шт.

5

2852473

GASKET,53.62mm ID x 59.72mm OD x 4.01mm Thk

1шт.

Выбрано товаров: 0