Запчасти Case IH MAXXUM 110 (1.19.6) - INTERCOOLER - PIPES (02) - ENGINE EQUIPMENT

Схема запчастей Case IH MAXXUM 110 - (1.19.6) - INTERCOOLER - PIPES (02) - ENGINE EQUIPMENT
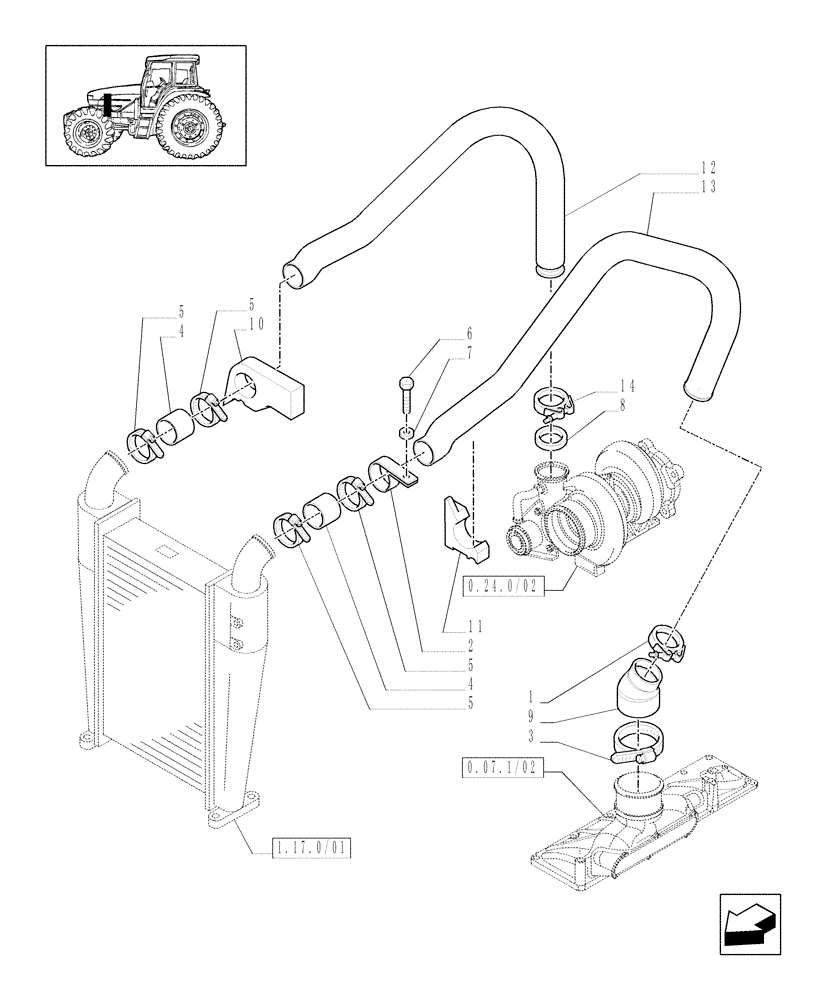
13
6
10
4
5
5
3
2
5
11
0.07.1/02
1.17.0/01
12
14
0.24.0/02
1
7
4
5
9
8
FIT
1:1
100%

Артикул

Название

Примечание

Количество

1

87524287

CLAMP

1шт.

MAXXUM 100

1шт.

1

87524288

CLAMP,77mm

1шт.

MAXXUM 115

1шт.

2

82036433

CLAMP,57.1mm ID, 12.7mm Bolt Hole, P Type

1шт.

3

82036354

HOSE CLAMP,70mm - 90mm

1шт.

4

87695004

HOSE,57.10 mm ID, SAE J20 R4

1шт.

5

82036351

HOSE CLAMP,50 - 70mm X 14.5mm

5шт.

7

14496504

WASHER,8.4mm ID x 17mm OD x 1.6mm Thk

1шт.

6

16043424

SCREW,Hex, M8 x 1.25 x 20mm, Cl 8.8, Full Thd

1шт.

8

16044121

BOLT,Hex, M8 x 45mm, Cl 8.8

4шт.

8

14459081

O-RING,1.737" ID x 0.103" Width

1шт.

MAXXUM 100

1шт.

8

14460081

SEALING RING,-142, Cl 7, 2.362" ID x .103" Thk

SEALRING

1шт.

MAXXUM 115

1шт.

9

12626204

WASHER,10.2mm ID x 25mm OD x 3mm Thk

4шт.

9

82036504

INTAKE AIR HOSE,57.10 mm ID, 76.00 mm ID x 90.00 mm, SAE J20R4 CLASS C

1шт.

10

87325639

SEAL

1шт.

11

82027368

SEAL

1шт.

12

87689034

TUBE,59 mm OD x 760, 121 mm L

1шт.

MAXXUM 115

1шт.

12

87689030

TUBE,59 mm OD x 723, 272 mm L

1шт.

MAXXUM 100

1шт.

13

87689031

TUBE,59 mm OD x 811.7, 268 mm L

1шт.

14

82033570

CLAMP,60mm

1шт.

MAXXUM 100

1шт.

14

82033571

CLAMP,76mm

1шт.

MAXXUM 115

1шт.

14

87524287

CLAMP

1шт.

Выбрано товаров: 29