Запчасти Case IH MAXXUM 110 (1.75.0[01]) - MECHANICAL ENGINE SENSORS AND SWITCHES (06) - ELECTRICAL SYSTEMS

Схема запчастей Case IH MAXXUM 110 - (1.75.0[01]) - MECHANICAL ENGINE SENSORS AND SWITCHES (06) - ELECTRICAL SYSTEMS
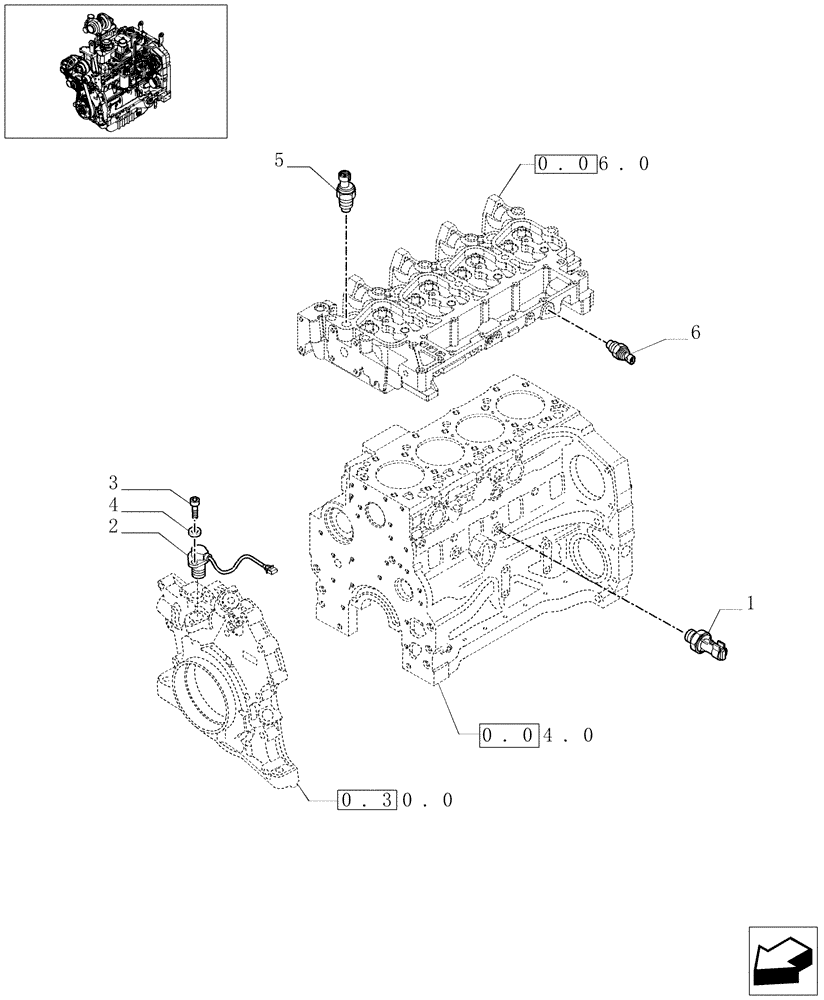
5
6
1
0.30.0
0.04.0
3
0.06.0
4
2
FIT
1:1
100%

Артикул

Название

Примечание

Количество

1

2852889

PRESSURE SWITCH

Oil Pressure, M14

1шт.

2

2853552

SENSOR

1шт.

Crankshaft Speed

1шт.

3

4899082

HEX SOC SCREW,M6 x 20mm

1шт.

4

17094601

WASHER

1шт.

5

2852157

SENSOR

Coolant Temperature

1шт.

6

2852087

SENSOR

1шт.

Coolant Temperature for KSB

1шт.

for tier 2 Engine (MAX100)

1шт.

6

2856350

SENSOR

1шт.

Coolant Temperature for KSB

1шт.

for tier 3 Engine (MAX100)

1шт.

6

504032877

TEMPERATURE SENDER

1шт.

MAX110

1шт.

Coolant Temperature for KSB

1шт.

Выбрано товаров: 15