Запчасти Case IH MAXXUM 110 (1.75.0[11]) - POWER TAKE-OFF SENSORS AND SWITCHES (06) - ELECTRICAL SYSTEMS

Схема запчастей Case IH MAXXUM 110 - (1.75.0[11]) - POWER TAKE-OFF SENSORS AND SWITCHES (06) - ELECTRICAL SYSTEMS
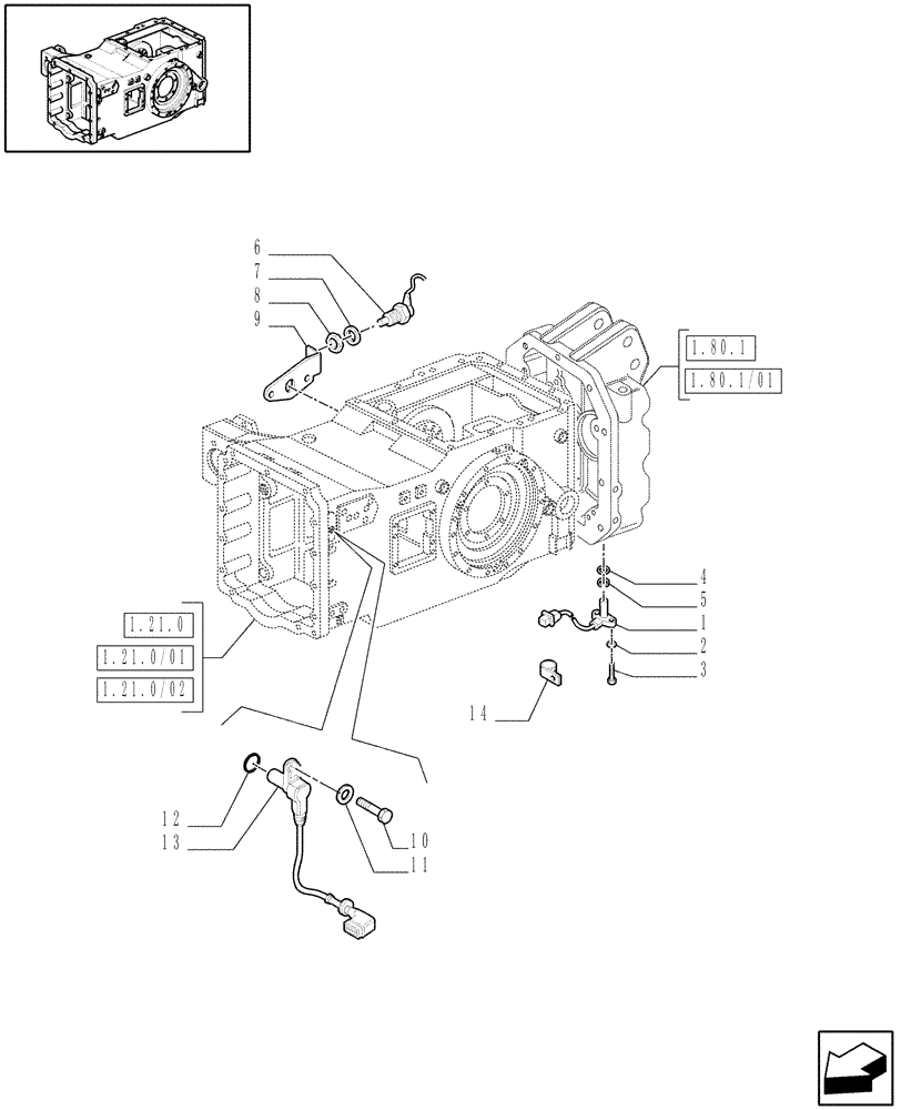
1
5
11
1.21.0
1.21.0/02
1.80.1/01
1.80.1
1.21.0/01
13
10
4
9
14
7
12
6
8
2
3
FIT
1:1
100%

Артикул

Название

Примечание

Количество

1

87564763

SENSOR

PTO Speed, Serial Range: -C5915

1шт.

1

84165809

SENSOR

PTO Speed, Start Serial: D5915

1шт.

2

10571474

LOCK WASHER,5.10mm ID x 9.20mm OD x 1.20mm, C72, DAC

2шт.

3

10977524

BOLT,Hex, M5 x 10mm, Cl 8.8, Full Thd

2шт.

4

14457180

O-RING,0.103" Thk x 0.549" ID, -113, Cl 5, 75 Duro

1шт.

with Waterproofing, VAR.330448-336449

1шт.

5

47132789

SEAL,15.5mm ID x 19mm OD x 3mm Thk

1шт.

with Waterproofing, VAR.330448-336449

1шт.

6

82014329

SWITCH

Reed (Normally Open)

1шт.

Ground PTO (Not Pressed)/PTO Clutch (Pressed)

1шт.

with Ground Speed PTO, VAR.330802-331802-332802

1шт.

7

11194274

BELLEVILLE WASHER,M16 Bolt Size x 32mm OD x 3.4mm Thk

1шт.

with Ground Speed PTO, VAR.330802-331802-332802

1шт.

8

10718114

THIN NUT,Thin, M16, 1.00mm Pitch, Cl 04, DAC

1шт.

with Ground Speed PTO, VAR.330802-331802-332802

1шт.

9

47127446

SUPPORT

1шт.

with Ground Speed PTO, VAR.330802-331802-332802

1шт.

10

14305773

SCREW,M6 x 14mm

1шт.

11

12601279

WAVE WASHER,6.40mm ID x 12mm OD x 0.50mm, 2.60mm H, STL, ZND

1шт.

12

47136259

O-RING,3mm Thk x 17.2mm ID, 72 Duro

3 x 17.2

1шт.

13

84169162

SENSOR

1шт.

PTO Torque Twist

1шт.

Pro Version only

1шт.

14

85700737

CLAMP,6.86mm ID, 14.99mm Bolt Hole, J Type

1шт.

Выбрано товаров: 24