Запчасти Case IH MAXXUM 110 (1.80.1/03[01]) - POWER TAKE-OFF 540/750/1000 RPM - CASING, GEARS AND SUPPORT (VAR.330801) - C5915 (07) - HYDRAULIC SYSTEM

Схема запчастей Case IH MAXXUM 110 - (1.80.1/03[01]) - POWER TAKE-OFF 540/750/1000 RPM - CASING, GEARS AND SUPPORT (VAR.330801) - C5915 (07) - HYDRAULIC SYSTEM
21
24
16
17
11
28
22
6
2
8
15
25
12
7
19
20
9
18
3
23
27
10
2
2
14
13
4
1
26
5
FIT
1:1
100%

Артикул

Название

Примечание

Количество

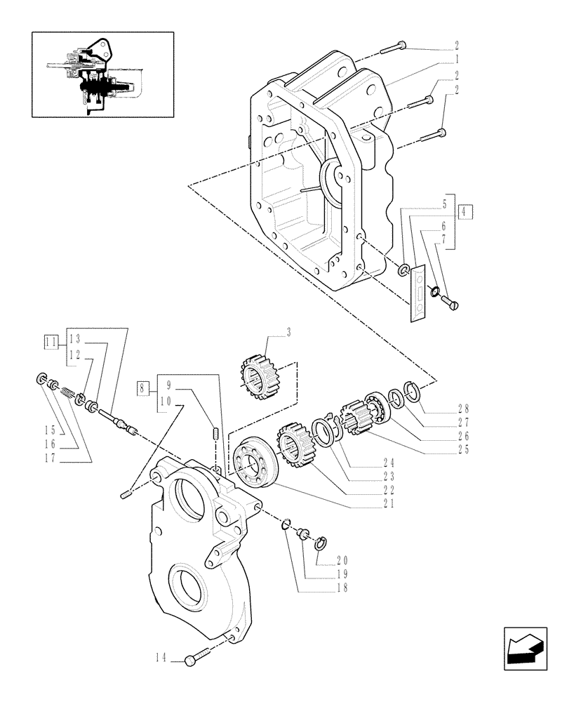
1

47131252

HOUSING

1шт.

2

11254124

BOLT,Hex, M16 x 1.5 x 80mm, Cl 8.8

4шт.

2

15981024

SCREW,Hex, M16 x 1.5 x 55mm, Cl 8.8

M16x1.5x55

7шт.

3

5197561

DRIVEN GEAR

1шт.

4

87348844

INDICATOR

1шт.

5

87349969

RUBBER SEAL

2шт.

6

47130060

O-RING

2шт.

7

47130059

SCREW,Pan HD, M12 x 41mm

2шт.

8

47126420

COVER

1шт.

9

10839710

DOWEL,M10 x 15.00mm

M10 x 15

2шт.

10

14326001

PLUG,Hex Skt, M10 x 1.25 x 11mm, Cl 4.8

3шт.

11

47128616

VALVE

1шт.

12

13397370

SNAP RING,M8, Int

1шт.

13

47128538

SPACER

1шт.

14

15540624

BOLT,Hex, M12 x 1.25 x 40mm, Cl 8.8, Full Thd

4шт.

15

13420576

SNAP RING,M16, Int

1шт.

16

47127951

CAP COVER

1шт.

17

47123788

SPRING,15mm OD x 87.5mm L

1шт.

18

14453181

O-RING,0.489" ID x 0.07" Width

1шт.

19

47128597

PLUG,6mm ID x 19mm OD x 13mm L

1шт.

20

11057776

SNAP RING,M19, Int

1шт.

21

5182640

BALL BEARING,65mm ID x 120mm OD x 23mm W

1шт.

22

5197768

GEAR,Z22

1шт.

23

5192262

THRUST WASHER,50.10mm ID x 60.00mm OD x 2.00mm

1шт.

24

5138419

SNAP RING,M50

D=50

1шт.

25

5193952

GEAR,Z17

1шт.

26

5151460

ROLLER BEARING,35mm ID x 72mm OD x 17mm W

35 x 72 x 17

1шт.

27

5154308

THRUST WASHER,35.1mm ID x 43mm OD x 2mm Thk

1шт.

28

5154307

SNAP RING,M35

D=35

1шт.

Выбрано товаров: 29