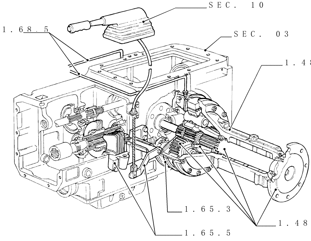
Запчасти Case IH MAXXUM 110 (1.47.0) - SEC. 05 - REAR AXLE (05) - REAR AXLE

Схема запчастей Case IH MAXXUM 110 - (1.47.0) - SEC. 05 - REAR AXLE (05) - REAR AXLE
1.48.0
sec. 10
1.65.5
1.68.5
sec. 03
1.48.1
1.65.3
FIT
1:1
100%