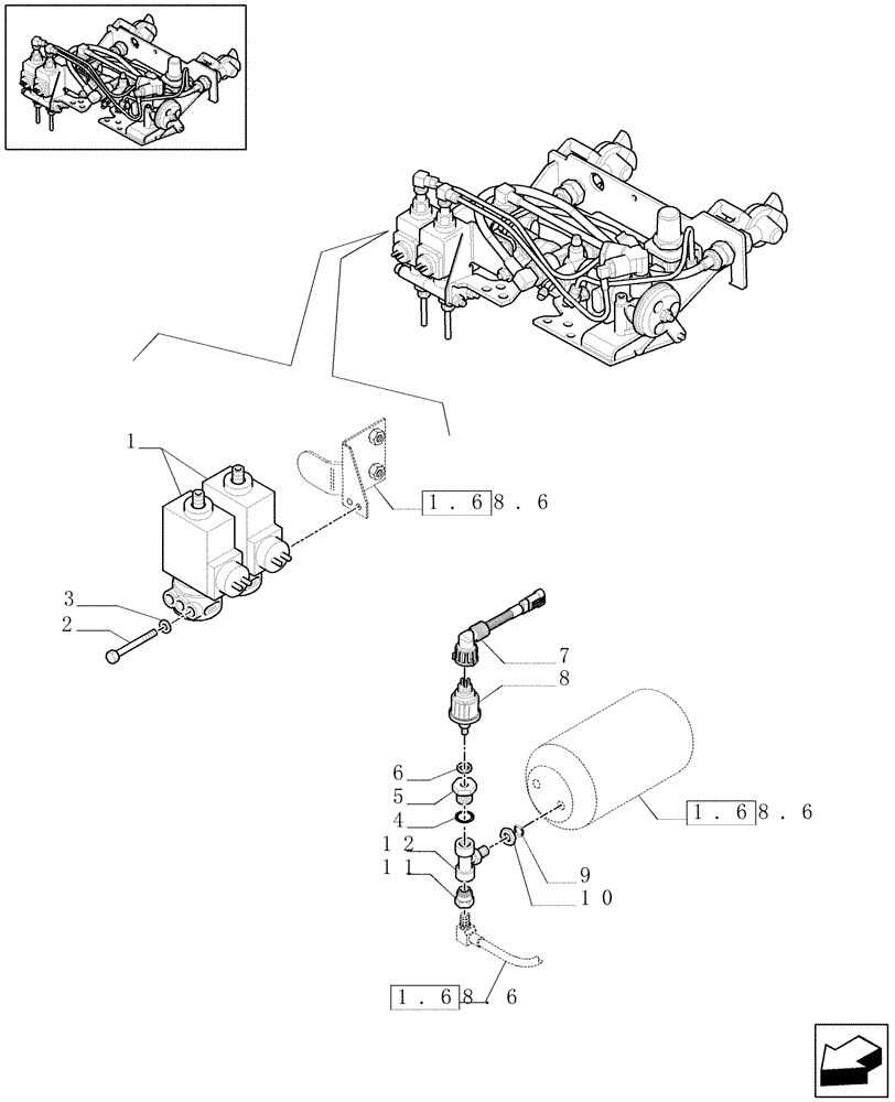
Запчасти Case IH MAXXUM 110 (1.75.0/03) - PNEUMATIC TRAILER BRAKE - SENSOR AND CONTROL VALVES (VAR.332727-333727-332737-339737-332739-333739) (06) - ELECTRICAL SYSTEMS

Схема запчастей Case IH MAXXUM 110 - (1.75.0/03) - PNEUMATIC TRAILER BRAKE - SENSOR AND CONTROL VALVES (VAR.332727-333727-332737-339737-332739-333739) (06) - ELECTRICAL SYSTEMS
1.68.6
5
11
2
10
12
9
1.68.6
8
1
1.68.6
4
6
7
3
FIT
1:1
100%

Артикул

Название

Примечание

Количество

1

82006252

CONTROL VALVE

2шт.

Air Brake

1шт.

2

16046121

BOLT,Hex, M8 x 100mm, Cl 8.8

2шт.

3

10571779

LOCK WASHER,Helical Spring, 8.10mm ID x 14.80mm OD x 2.00mm, ZNM

2шт.

4

82019799

O-RING

1шт.

5

87570885

ADAPTER

1шт.

6

5183780

SEALING WASHER,9.73mm ID x 18mm OD x 1.5mm Thk

1шт.

7

87564372

WIRE HARNESS

1шт.

8

87564377

SENSOR,M12 x 1.5

1шт.

Air Brake Pressure

1шт.

9

82039003

O-RING

1шт.

10

82039004

LOCK NUT

1шт.

11

82036156

FITTING,M22 x 1.5 x NG12

1шт.

12

82038888

HYD CONNECTOR

1шт.

Выбрано товаров: 14