Запчасти Case IH MAXXUM 110 (1.80.7/02[02B]) - PTO CLUTCH LESS CREEPER (24X24 / 16X16) (2WD) - CONTROL VALVE AND RELEVANT PARTS - D5898 (VAR.330405-334405-335405-336405) (07) - HYDRAULIC SYSTEM

Схема запчастей Case IH MAXXUM 110 - (1.80.7/02[02B]) - PTO CLUTCH LESS CREEPER (24X24 / 16X16) (2WD) - CONTROL VALVE AND RELEVANT PARTS - D5898 (VAR.330405-334405-335405-336405) (07) - HYDRAULIC SYSTEM
g. 1
1
1
13
14
15
4
2
12
1
1
1
10
1
1
1
3
18
1
p
1.75.0
1
16
9
17
5
10
9
1
6
1
1
1
1
1
8
1
19
1
a
1
5
5
1
1
7
1
FIT
1:1
100%

Артикул

Название

Примечание

Количество

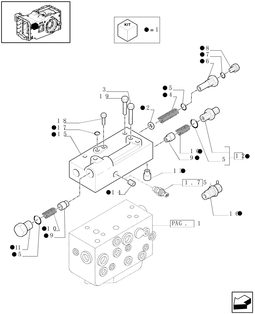
1

87729042

CONTROL VALVE

1шт.

2

12637804

WASHER,5.15mm ID x 11mm OD x 1mm Thk

1шт.

3

16044521

SCREW,Hex, M8 x 65mm, Cl 8.8

1шт.

4

5157119

SPRING,11.5mm x 127mm

1шт.

5

14438085

O-RING,19.3mm ID x 2.4mm

3шт.

6

87692961

PLUG

, Serial Range: -C6017

1шт.

6

84136105

PLUG,M22 x 1.5

, Start Serial: D6017

1шт.

7

87316678

SEALING WASHER,10mm ID x 16mm OD x 2.3mm Thk

1шт.

8

87535222

PLUG,Hex, M10 x 1 x 13mm

1шт.

9

5169565

VALVE,By-Pass

2шт.

10

5159185

SPRING,Compression, 12.5mm OD x 32.5mm L

2шт.

11

47123781

PLUG,M22 x 1.5

1шт.

12

47123674

HYD CONNECTOR

M22 x 1.5, 13/16-16

1шт.

13

47137823

HYD CONNECTOR

1шт.

14

83931497

PLUG,3/8-18 x 0.42

1шт.

15

87695626

MANIFOLD VALVE

, Serial Range: -C6017

1шт.

15

84135887

, Start Serial: D6017

1шт.

16

87692954

HYD CONNECTOR

1шт.

17

5146468

O-RING,0.103" Thk x 0.549" ID, -113, Cl 5, 75 Duro

1шт.

18

16043421

BOLT,Hex, M8 x 1.25 x 20mm, Cl 8.8, Full Thd

1шт.

19

16044321

BOLT,M8 x 1.25 x 55mm, Cl 8.8

2шт.

Выбрано товаров: 21