Запчасти Case IH MAXXUM 115 (21.160.AD) - VAR - 332330, 743736 - CREEPER FOR TRANSMISSION 16X16 - GEARSHIFT MECHANISM (21) - TRANSMISSION

Схема запчастей Case IH MAXXUM 115 - (21.160.AD) - VAR - 332330, 743736 - CREEPER FOR TRANSMISSION 16X16 - GEARSHIFT MECHANISM (21) - TRANSMISSION
9
5
14
11
8
12
2
55.022.ab 01
1
55.022.ab 01
10
4
6
7
home
27.100.ab
55.022.ab 01
3
13
55.022.ab 01
FIT
1:1
100%

Артикул

Название

Примечание

Количество

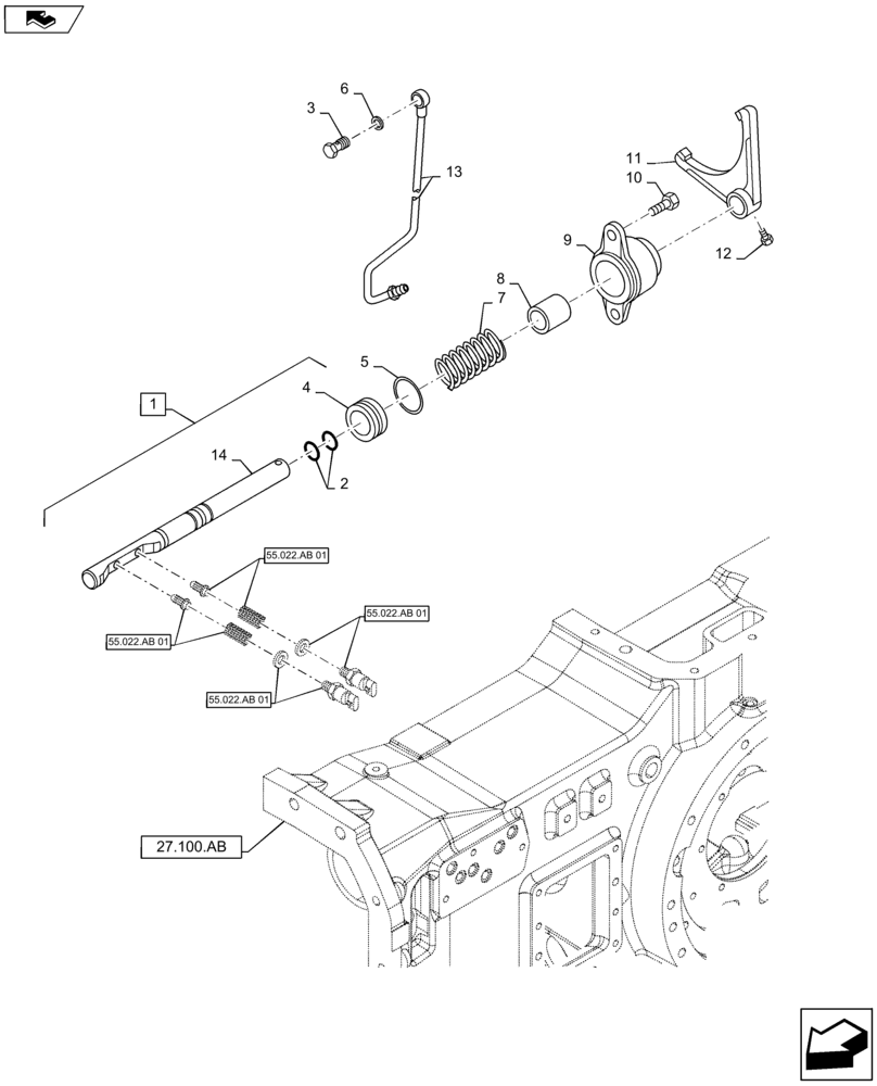
1

47137318

CONTROL

Incl 4, 14

1шт.

2

5174041

O-RING,2.62mm Thk x 13.1mm ID, 70 Duro

2шт.

3

10184311

BANJO BOLT,M14 x 1.5 x 27mm

1шт.

4

47137320

PISTON

1шт.

5

5160827

SEAL,22.55mm ID x 30.1mm OD x 3.2mm Thk

1шт.

6

5169544

SEAL,14.7mm ID x 22mm OD x 1.5mm Thk

1шт.

7

47133462

SPRING

1шт.

8

5194523

SPACER

1шт.

9

5194527

COVER

1шт.

10

16043524

SCREW,Hex, M8 x 1.25 x 22mm, Cl 8.8, Full Thd

2шт.

11

5194528

SHIFTER FORK

1шт.

12

44013453

SCREW,Hex, M12 x 1.25 x 33mm

1шт.

13

47126718

HYD TUBE

1шт.

14

47137319

ROD

1шт.

Выбрано товаров: 14