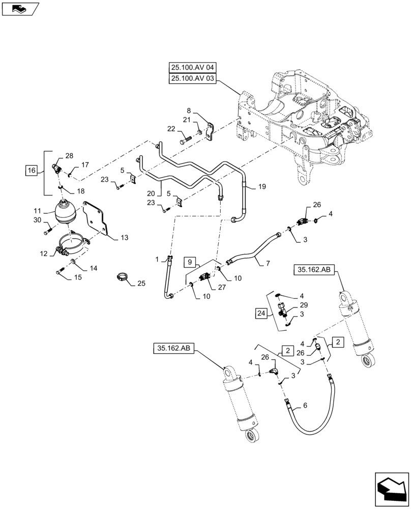
Запчасти Case IH MAXXUM 115 (35.160.AK) - VAR - 333648, 334648, 335648, 743700, 336831, 337831, 743699 - INTEGRATED FRONT HPL - PIPES AND ACCUMULATOR (35) - HYDRAULIC SYSTEMS

Схема запчастей Case IH MAXXUM 115 - (35.160.AK) - VAR - 333648, 334648, 335648, 743700, 336831, 337831, 743699 - INTEGRATED FRONT HPL - PIPES AND ACCUMULATOR (35) - HYDRAULIC SYSTEMS
4
13
22
17
3
27
28
5
5
26
35.162.ab
16
26
35.162.ab
20
26
21
23
2
4
10
11
25.100.av 04
29
7
9
4
18
3
1
3
6
25
14
23
2
12
home
19
15
3
10
8
25.100.av 03
30
24
4
FIT
1:1
100%

Артикул

Название

Примечание

Количество

1

47057654

FLEXIBLE HOSE,Hyd, 12mm ID x 600mm L

1шт.

2

5185052

90 ELBOW,13/16"-16 x M18 x 1.5

Incl 3, 4, 26

3шт.

3

5185511

O-RING,1.78mm Thk x 12.42mm ID, 85 Duro

4шт.

4

14437985

O-RING,15.3mm ID x 2.4mm

4шт.

5

47057074

CLAMP,48.6mm x 30mm

2шт.

6

47057655

FLEXIBLE HOSE,Hyd, 10mm ID x 700mm L

1шт.

7

47057656

FLEXIBLE HOSE,Hyd, 10mm ID x 375mm L

1шт.

8

87603020

CLAMP,21mm HD, 110mm L

1шт.

9

5194079

TEE

Incl 10, 27

1шт.

10

5185511

O-RING,1.78mm Thk x 12.42mm ID, 85 Duro

2шт.

11

47057602

ACCUMULATOR,0.75L

1шт.

12

47057603

CLAMP,119mm - 127mm

1шт.

13

47057232

SUPPORT

1шт.

14

14496504

WASHER,8.4mm ID x 17mm OD x 1.6mm Thk

2шт.

15

16043224

BOLT,Hex, M8 x 16mm, Cl 8.8

2шт.

16

47057674

TEE

Incl 17, 18, 28

1шт.

17

5185512

O-RING,0.07" Thk x 0.614" ID, -16, Cl 6, 90 Duro

1шт.

18

5135738

O-RING,0.103" Thk x 0.674" ID, -115, 80 Duro

1шт.

19

87603039

HYD TUBE,345 mm L

Front HPL Lift, Front

1шт.

20

87603038

HYD TUBE,16 mm OD x 784.91 mm L

Cylinder Lifting

1шт.

21

14497101

WASHER,M20 x 37 x 3

1шт.

22

11121321

BOLT,Hex, M20 x 2.5 x 35mm, Cl 8.8, Full Thd

1шт.

23

16043624

SCREW,Hex, M8 x 1.25 x 25mm, Cl 8.8, Full Thd

2шт.

24

47057673

TEE

Incl 3, 4, 29

1шт.

25

82001041

CABLE TIE,0.190" x 7.00" / 200 mm L

4шт.

26

NSS

NOT SOLD SEPARAT

Fitting, Incl in 2

3шт.

27

NSS

NOT SOLD SEPARAT

Fitting, Incl in 9

1шт.

28

NSS

NOT SOLD SEPARAT

Fitting, Incl in 16

1шт.

29

NSS

NOT SOLD SEPARAT

Fitting, Incl in 24

1шт.

30

16043524

SCREW,Hex, M8 x 1.25 x 22mm, Cl 8.8, Full Thd

2шт.

Выбрано товаров: 30