Запчасти Case IH MAXXUM 115 (37.120.AA[02]) - VAR - 331920 - CAT 2/3 FLEXIBLE LINKS - TOP LINK - C7395 (37) - HITCHES, DRAWBARS & IMPLEMENT COUPLINGS

Схема запчастей Case IH MAXXUM 115 - (37.120.AA[02]) - VAR - 331920 - CAT 2/3 FLEXIBLE LINKS - TOP LINK - C7395 (37) - HITCHES, DRAWBARS & IMPLEMENT COUPLINGS
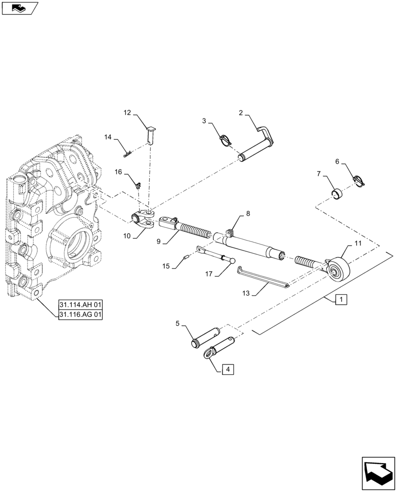
1
home
31.114.ah 01
31.116.ag 01
14
16
13
3
9
12
2
6
11
4
10
7
15
8
17
5
FIT
1:1
100%

Артикул

Название

Примечание

Количество

1

47137088

UPPER LINK

ASSY, Top Link Cat. 3, Incl 8 - 17

1шт.

2

5191449

PIN,27.9mm OD x 152mm L

1шт.

3

82014909

LOCK PIN,5.5mm OD

1шт.

4

822483

PIN,25.5mm OD x 137mm L

Cat 2

1шт.

5

44015196

PIN,31.75mm OD x 146mm L

Cat 3

1шт.

6

5166585

LOCK PIN,11mm OD

1шт.

7

47123097

BUSHING,25.7mm ID x 32mm OD x 51mm L

1шт.

8

5198121

TUBE,M36 x 3

1шт.

9

82012614

TRACK ROD END ASSY,M36 x 3, LH Thread

1шт.

10

5161787

YOKE,28mm D x 28mm D

1шт.

11

5198083

LIFT LINK END ASSY,M36 x 3

1шт.

12

5161789

PIN,34mm OD x 91mm L

1шт.

13

5198079

SPRING

1шт.

14

10797801

COTTER PIN,M6.3 x 50.00mm

1шт.

15

14613471

ROLL PIN,12mm OD x 40mm L

1шт.

16

13407811

LUBE NIPPLE,Angled - 45 Degree, M10 x 1 x 27.00mm

1шт.

17

5172394

LEVER

1шт.

Выбрано товаров: 17