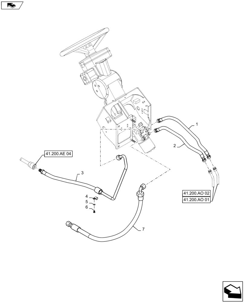
Запчасти Case IH MAXXUM 115 (41.200.AE[01]) - VAR - 330658 + STD - HYDROSTATIC STEERING WITH 113L/MIN CCLS PUMP -STEERING MOTOR PIPES (41) - STEERING

Схема запчастей Case IH MAXXUM 115 - (41.200.AE[01]) - VAR - 330658 + STD - HYDROSTATIC STEERING WITH 113L/MIN CCLS PUMP -STEERING MOTOR PIPES (41) - STEERING
41.200.ao 02
5
home
1
7
41.200.ao 01
3
6
41.200.ae 04
2
4
FIT
1:1
100%

Артикул

Название

Примечание

Количество

1

84499293

FLEXIBLE HOSE

Steering Left

1шт.

2

84499269

FLEXIBLE HOSE

Steering Right

1шт.

3

84476304

TUBE

Return From Steering Motor

1шт.

4

87532034

CLAMP,15.9mm, Coat, 7.1mm Bolt Hole, P Type

1шт.

5

10519421

WASHER,6.4mm ID x 11.95mm OD x 1.6mm Thk

1шт.

6

86977726

BOLT,Hex, M6 x 12mm, Cl 8.8

1шт.

7

84537482

HOSE

Steering Supply

1шт.

Выбрано товаров: 7