Запчасти Case IH MAXXUM 115 (50.000.00) - SECTION INDEX - CAB CLIMATE CONTROL (50) - CAB CLIMATE CONTROL

Схема запчастей Case IH MAXXUM 115 - (50.000.00) - SECTION INDEX - CAB CLIMATE CONTROL (50) - CAB CLIMATE CONTROL
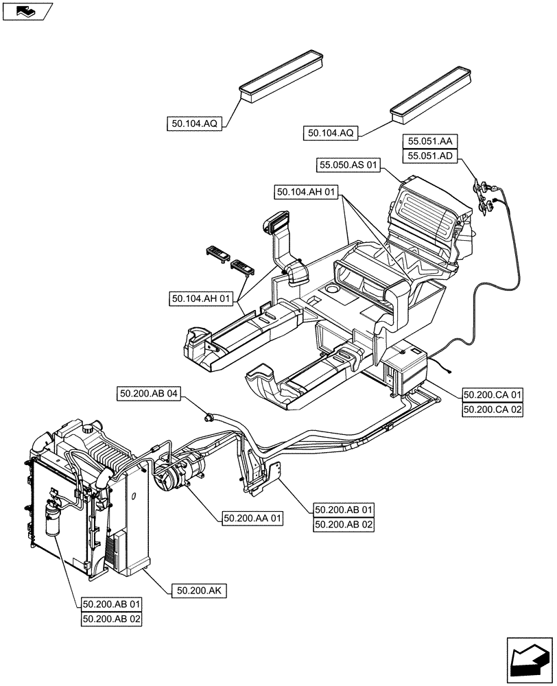
50.104.aq
50.200.ab 01
50.200.ca 02
50.200.ab 04
50.200.ab 02
50.104.ah 01
55.050.as 01
50.200.ab 01
55.051.aa
55.051.ad
50.200.aa 01
50.200.ca 01
home
50.104.aq
50.200.ab 02
50.200.ak
50.104.ah 01
FIT
1:1
100%