Запчасти Case IH MAXXUM 115 (55.404.CY[02]) - VAR - 330661, 331661 - HIGH LEVEL ROAD LIGHTING PACKAGE - GRABRAIL MOUNTED (55) - ELECTRICAL SYSTEMS

Схема запчастей Case IH MAXXUM 115 - (55.404.CY[02]) - VAR - 330661, 331661 - HIGH LEVEL ROAD LIGHTING PACKAGE - GRABRAIL MOUNTED (55) - ELECTRICAL SYSTEMS
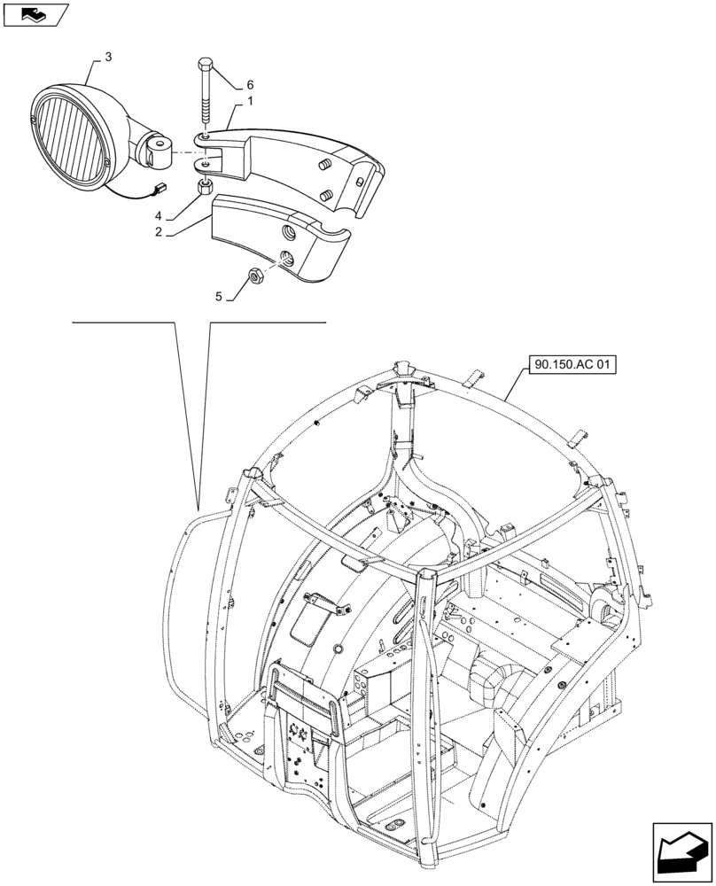
4
1
6
3
home
5
2
90.150.ac 01
FIT
1:1
100%

Артикул

Название

Примечание

Количество

1

87644971

BRACKET

RH

1шт.

1

84197477

BRACKET

LH

1шт.

2

87644972

BRACKET

RH

1шт.

2

84197478

BRACKET

LH

1шт.

3

84274551

WORK LAMP

RH, Right Hand Drive, VAR 331661

1шт.

3

84274549

WORK LAMP

LH, Right Hand Drive, VAR 331661

1шт.

3

84274554

WORK LAMP

LH, Left Hand Drive, VAR 330661

1шт.

3

84274557

WORK LAMP

RH, Left Hand Drive, VAR 330661

1шт.

4

14048211

NUT,M8 x 1.25, Cl 8

2шт.

5

12574221

NUT,M6 x 1, Cl 10

4шт.

6

16044221

SCREW,Hex, M8 x 1.25 x 50mm, Cl 8.8

2шт.

Выбрано товаров: 11