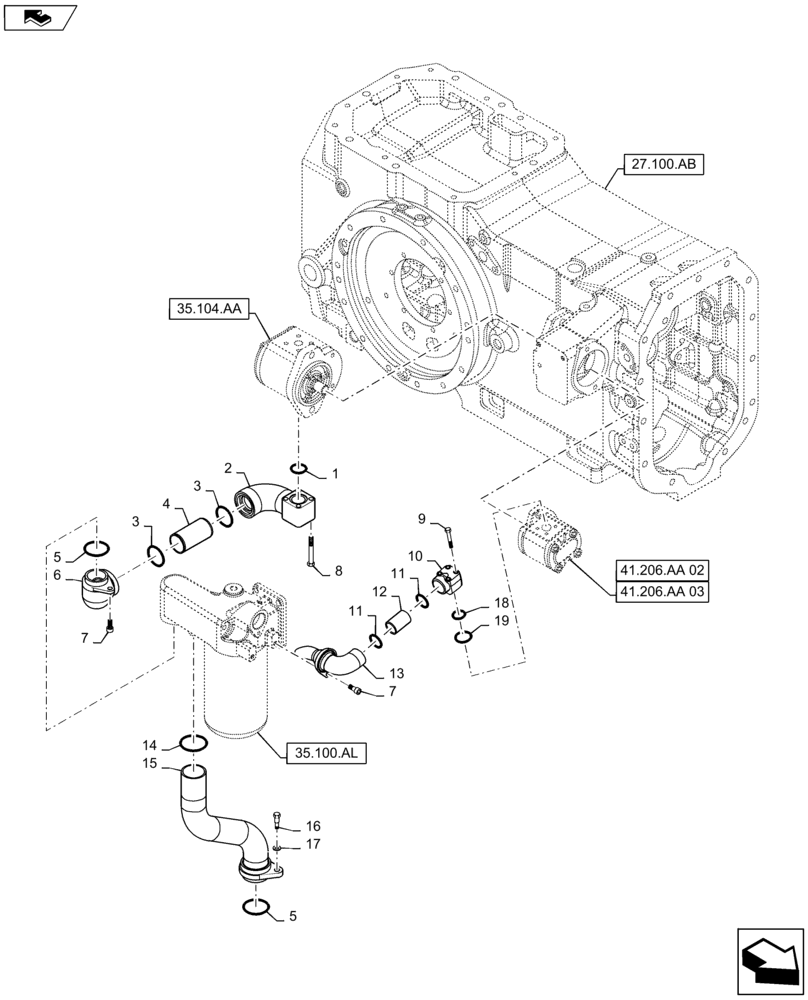
Запчасти Case IH MAXXUM 115 (35.104.AF) - HYDRAULIC PUMP 80 L/MIN FD - PIPES (35) - HYDRAULIC SYSTEMS

Схема запчастей Case IH MAXXUM 115 - (35.104.AF) - HYDRAULIC PUMP 80 L/MIN FD - PIPES (35) - HYDRAULIC SYSTEMS
5
1
home
3
3
5
17
7
6
7
12
10
13
19
2
18
41.206.aa 02
27.100.ab
35.104.aa
11
8
14
9
41.206.aa 03
4
16
35.100.al
15
11
FIT
1:1
100%

Артикул

Название

Примечание

Количество

1

14458281

O-RING,1.237" ID x 1.443" OD x 0.103"

1шт.

2

47129011

FLANGE

1шт.

3

14464280

O-RING,0.139" Thk x 1.734" ID, -224, Cl 5, 75 Duro

2шт.

4

5199025

TUBE

1шт.

5

14464480

O-RING,0.139" Thk x 1.984" ID, -226, Cl 5, 75 Duro

2шт.

6

5199024

SUPPORT

1шт.

7

14306320

HEX SOC SCREW,M8 x 1.25 x 20mm, Cl 8.8, Full Thd

2шт.

8

16044624

SCREW,Hex, M8 x 1.25 x 70mm, Cl 8.8

4шт.

9

10903624

BOLT,Hex, M6 x 50mm, Cl 8.8

4шт.

10

87602545

COUPLING FLANGE

1шт.

11

14458180

O-RING,0.103" Thk x 1.174" ID, -123, Cl 5, 75 Duro

2шт.

12

5192921

TUBE

1шт.

13

87733569

MANIFOLD

1шт.

14

14471380

O-RING,0.21" Thk x 2.1" ID, -330, Cl 5, 75 Duro

1шт.

15

47128297

TUBE

Suction from Final Drive Case

1шт.

16

87647137

BOLT,Hex, M8 x 1.25 x 29mm, Cl 8.8

1шт.

17

14496607

WASHER,10.5mm ID x 21mm OD x 2mm Thk

1шт.

18

2852978

O-RING,0.103" Thk x 0.924" ID, -119, Cl 7, 75 Duro

1шт.

19

14463680

O-RING,0.139" Thk x 1.234" ID, -218, Cl 5, 75 Duro

1шт.

Выбрано товаров: 19