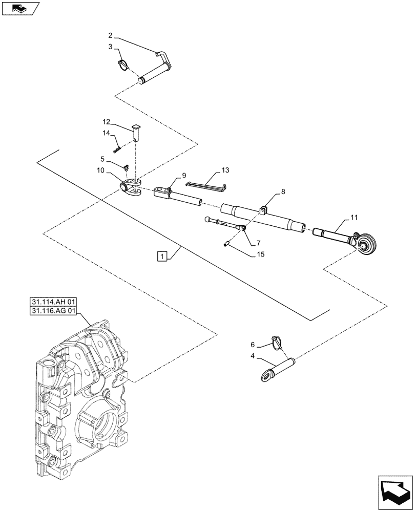
Запчасти Case IH MAXXUM 115 (37.120.AA[03A]) - VAR - 331970 - CAT 2 FLEXIBLE LINKS - TOP LINK - D7395 (37) - HITCHES, DRAWBARS & IMPLEMENT COUPLINGS

Схема запчастей Case IH MAXXUM 115 - (37.120.AA[03A]) - VAR - 331970 - CAT 2 FLEXIBLE LINKS - TOP LINK - D7395 (37) - HITCHES, DRAWBARS & IMPLEMENT COUPLINGS
2
home
14
15
4
8
3
13
7
5
11
9
6
31.114.ah 01
1
10
31.116.ag 01
12
FIT
1:1
100%

Артикул

Название

Примечание

Количество

1

84517029

UPPER LINK

ASSY, Top Link Cat. 2, Incl 5, 7 - 15

1шт.

2

5191449

PIN,27.9mm OD x 152mm L

1шт.

3

82014909

LOCK PIN,5.5mm OD

1шт.

4

822483

PIN,25.5mm OD x 137mm L

1шт.

5

13407811

LUBE NIPPLE,Angled - 45 Degree, M10 x 1 x 27.00mm

1шт.

6

5166585

LOCK PIN,11mm OD

1шт.

7

5172394

LEVER

1шт.

8

84583994

TURNBUCKLE,M30 x 3

1шт.

9

84583993

LIFT LINK END ASSY,M30 x 3

1шт.

10

5161787

YOKE,28mm D x 28mm D

1шт.

11

5198084

TIE-ROD,M30 x 3, LH Threads

1шт.

12

5161789

PIN,34mm OD x 91mm L

1шт.

13

5140619

SPRING,215mm L

1шт.

14

300423

COTTER PIN,M6.3 x 50

1шт.

15

14613471

ROLL PIN,12mm OD x 40mm L

1шт.

Выбрано товаров: 15