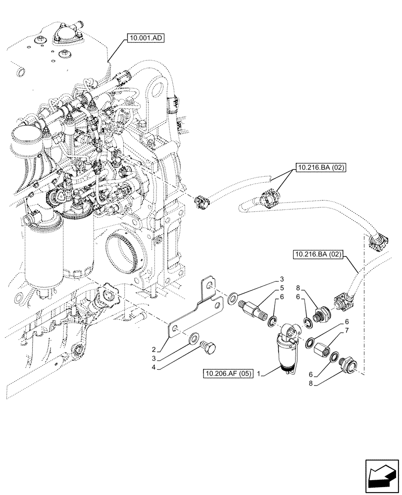
Запчасти Case IH MAXXUM 115 (10.206.AF[02]) - FUEL FILTER/WATER SEPARATOR, 4 CYLINDER (10) - ENGINE

Схема запчастей Case IH MAXXUM 115 - (10.206.AF[02]) - FUEL FILTER/WATER SEPARATOR, 4 CYLINDER (10) - ENGINE
10.001.ad
1
7
3
8
8
6
6
4
2
3
6
5
6
10.216.ba (02)
10.216.ba (02)
10.206.af (05)
FIT
1:1
100%

Артикул

Название

Примечание

Количество

1

84328562

FILTER ASSY,40mm OD x 109mm L, M14 x 1.5, 350 Microns

1шт.

2

47616217

BRACKET

1шт.

3

14496701

WASHER,13.00mm ID x 24.00mm OD x 2.50mm, CST, ZND

3шт.

4

11112121

SCREW,Hex, M12 x 20mm, Cl 8.8, Full Thd

2шт.

5

87585662

HYD CONNECTOR,M12 x 1.75 x M14 x 1.5

1шт.

6

87590622

SEALING WASHER,14.7mm ID x 22mm OD x 1.5mm Thk

4шт.

7

84364450

FLANGE NUT,Hex, M14 x 1.5, 22.5 Thd

1шт.

8

47440871

HYD CONNECTOR,M14 x 1.5 x 16mm L

2шт.

Выбрано товаров: 0