Запчасти Case IH MAXXUM 115 (88.100.55[11]) - DIA KIT, COLD START SYSTEM, GRID HEATER (88) - ACCESSORIES

Схема запчастей Case IH MAXXUM 115 - (88.100.55[11]) - DIA KIT, COLD START SYSTEM, GRID HEATER (88) - ACCESSORIES
10.202.ah
11
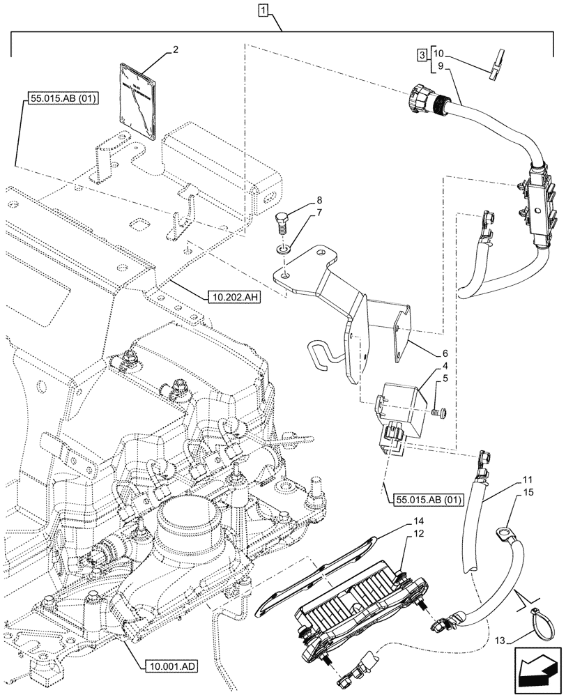
1
14
5
6
8
3
12
9
4
10
13
7
15
2
10.001.ad
55.015.ab (01)
55.015.ab (01)
FIT
1:1
100%

Артикул

Название

Примечание

Количество

1

718203114

Grid Heater (4Cyl, 4V), Incl 2 - 15

1шт.

2

47774831

INSTRUCTION

1шт.

3

47783139

WIRE HARNESS

Grid Heater, ASSY, Incl 9, 10

1шт.

4

82022813

RELAY,12V, High Current

12V

1шт.

5

83998908

SCREW,Pozidriv Pan Hd, M6 x 12mm, Cl 4.8, Full Thd

2шт.

6

47793332

BRACKET

CNH Black

1шт.

7

86624184

WASHER,9mm ID x 16mm OD x 1.6mm Thk

2шт.

8

16043421

BOLT,Hex, M8 x 1.25 x 20mm, Cl 8.8, Full Thd

2шт.

9

NSS

NOT SOLD SEPARAT

Wire Harness, Incl in 3

1шт.

10

82013031

CABLE TIE,193mm L

1шт.

11

47783145

WIRE HARNESS

Grid Heater

1шт.

12

2854837

HEATER

1шт.

13

14560187

COLLAR,199mm L

3шт.

14

2854701

GASKET,0.8mm Thk

1шт.

15

47783144

WIRE HARNESS

Grid Heater

1шт.

Выбрано товаров: 15