Запчасти Case IH MAXXUM 115 (90.108.AC[04]) - VAR - 758499, 758500, 758502 - WARNING DECAL, RADAR (90) - PLATFORM, CAB, BODYWORK AND DECALS

Схема запчастей Case IH MAXXUM 115 - (90.108.AC[04]) - VAR - 758499, 758500, 758502 - WARNING DECAL, RADAR (90) - PLATFORM, CAB, BODYWORK AND DECALS
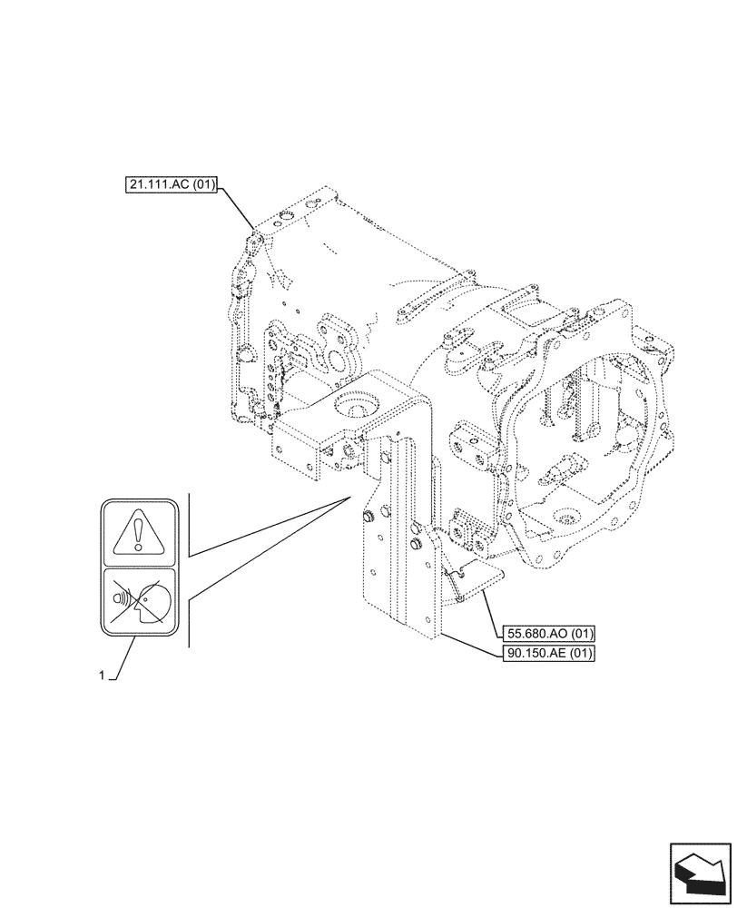
90.150.ae (01)
1
55.680.ao (01)
21.111.ac (01)
FIT
1:1
100%

Артикул

Название

Примечание

Количество

1

84270897

DECAL

Radar Warning

1шт.

Выбрано товаров: 1