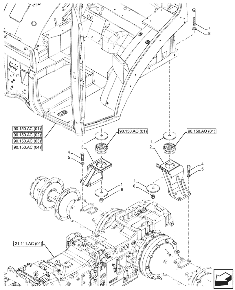
Запчасти Case IH MAXXUM 115 (90.150.AG[01]) - VAR - 391610 - CAB, REAR, MOUNT (90) - PLATFORM, CAB, BODYWORK AND DECALS

Схема запчастей Case IH MAXXUM 115 - (90.150.AG[01]) - VAR - 391610 - CAB, REAR, MOUNT (90) - PLATFORM, CAB, BODYWORK AND DECALS
90.150.ac (01)
2
6
5
1
8
1
6
4
4
5
1
7
1
3
90.150.ac (03)
90.150.ao (01)
90.150.ao (01)
21.111.ac (01)
90.150.ac (02)
90.150.ac (04)
FIT
1:1
100%

Артикул

Название

Примечание

Количество

1

87302042

SPACER,21mm ID x 120mm OD x 8.7mm L

4шт.

2

47420016

BRACKET

Rear, Left

1шт.

3

47420012

SUPPORT

Rear, Right

1шт.

4

15239624

BOLT,Hex, M18 x 1.5 x 65mm, Cl 8.8

8шт.

5

10520324

WASHER,18.4mm ID x 32mm OD x 4mm Thk

8шт.

6

12575121

NUT,M20 x 1.5, Cl 10

2шт.

7

15990531

BOLT,Hex, M20 x 1.5 x 170mm, Cl 10.9

2шт.

8

14497101

WASHER,M20 x 37 x 3

2шт.

Выбрано товаров: 8