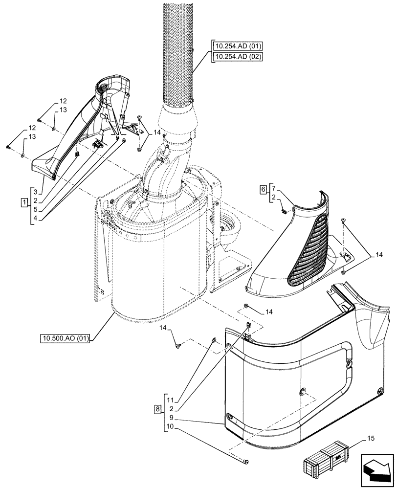
Запчасти Case IH MAXXUM 115 (10.254.AD[04]) - VAR - 743702, 758344, 758351, 758352, 758353, 758354, 758478 - EXHAUST PIPE, COVER, W/ LOADER READY (10) - ENGINE

Схема запчастей Case IH MAXXUM 115 - (10.254.AD[04]) - VAR - 743702, 758344, 758351, 758352, 758353, 758354, 758478 - EXHAUST PIPE, COVER, W/ LOADER READY (10) - ENGINE
10.500.ao (01)
14
10
14
14
7
12
2
13
9
11
5
4
13
3
14
1
6
2
12
2
15
8
10.254.ad (02)
10.254.ad (01)
FIT
1:1
100%

Артикул

Название

Примечание

Количество

1

47733002

COVER

ASSY, Upper Rear, Incl 2 (Qty 2), 3, 4 (Qty 6), 5

1шт.

2

14189071

SPRING NUT,M6

2шт.

3

NSS

NOT SOLD SEPARAT

Cover, Incl in 1

1шт.

4

84602244

CLIP,Clip Diameter 3/7mm

9шт.

5

47733127

CLIP

1шт.

6

47746781

COVER

ASSY, Upper Front, Incl 2 (Qty 4), 7

1шт.

7

NSS

NOT SOLD SEPARAT

Cover, Incl in 6

1шт.

8

47691564

TRIM PANEL

ASSY, Lower Front, Incl 2 (Qty 1), 9 - 11

1шт.

9

NSS

NOT SOLD SEPARAT

Cover, Incl in 8

1шт.

10

84402052

BLANK-OFF PLUG,19mm OD

1шт.

11

14228374

COVER PLATE

1шт.

12

87310098

BOLT,M6 x 20 Full SST BLO

7шт.

13

11194774

BELLEVILLE WASHER,M6 Bolt Size x 18mm OD x 1.4mm Thk

2шт.

14

84348915

SCREW,Pan Hd Phil, M6 x 20mm, w/Thermal Insulator

6шт.

15

719705064

DIA KIT, TRACTOR

European Loader Ready, Incl 2, 8 - 11

1шт.

To See Full DIA KIT Composition Look for all the Figures Where the DIA KIT P/N Is Shown

1шт.

Выбрано товаров: 16