Запчасти Case IH MAXXUM 115 (90.150.AO[02]) - VAR - 758479, 758480, 758481 - CAB FASTENERS, SUSPENSION (90) - PLATFORM, CAB, BODYWORK AND DECALS

Схема запчастей Case IH MAXXUM 115 - (90.150.AO[02]) - VAR - 758479, 758480, 758481 - CAB FASTENERS, SUSPENSION (90) - PLATFORM, CAB, BODYWORK AND DECALS
90.150.ae (01)
12
15
10
21
24
27
8
7
8
10
17
20
28
28
1
10
13
14
9
4
5
10
29
3
13
11
26
19
3
22
23
14
10
29
6
2
9
22
21
9
15
16
9
25
4
18
90.150.ac (03)
90.150.ac (01)
90.150.ac (04)
21.111.ac (01)
90.150.ac (02)
90.150.ae (01)
FIT
1:1
100%

Артикул

Название

Примечание

Количество

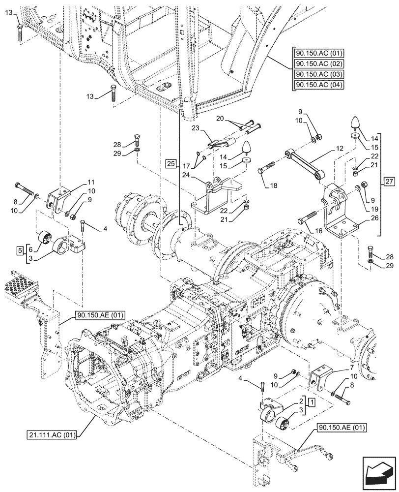
1

82032678

SUPPORT

ASSY, Left, Incl 2, 3 (Qty 1)

1шт.

2

NSS

NOT SOLD SEPARAT

Front Isolator, Incl in 1

1шт.

3

81866330

INSULATOR,101.43mm OD x 71mm L

2шт.

4

11119421

BOLT,Hex, M16 x 2 x 75mm, Cl 8.8

8шт.

5

82032679

SUPPORT

ASSY, Right, Incl 3 (Qty 1), 6

1шт.

6

NSS

NOT SOLD SEPARAT

Front Isolator, Incl in 5

1шт.

7

82030756

CLEVIS

1шт.

8

84025013

BOLT,Hex, M20 x 140mm, Cl 10.9

2шт.

9

82020635

NUT,Prevailing Torque, M20 x 2.5 x 20mm, Cl8

4шт.

10

86511327

WASHER,21mm ID x 37mm OD x 3mm Thk

5шт.

11

82030758

U-BOLT

1шт.

12

87301561

TIE-ROD

1шт.

13

9780073

BOLT,Hex, M20 x 2.5 x 110mm, Cl 8.8

4шт.

14

44995061

RUBBER BUMPER

2шт.

15

47575363

SPACER

2шт.

16

11125921

BOLT,Hex, M20 x 110, 8.8

1шт.

17

11066871

CIRCLIP,M20

2шт.

18

814-12120

BOLT,Hex, M12 x 1.75 x 120mm, Cl 8.8

1шт.

19

14497101

WASHER,M20 x 37 x 3

1шт.

20

87543582

PIN,20mm OD x 104mm L

2шт.

21

16104111

NUT,Prevailing Torque, M8, 1.25 Pitch, 10.6mm High, Cl 08, ZND

1шт.

22

14496501

WASHER,8.4mm ID x 17mm OD x 1.6mm Thk

2шт.

23

87357896

STRAP,165mm L

1шт.

24

NSS

NOT SOLD SEPARAT

Support RH, Incl in 25

1шт.

25

47575109

SUPPORT

ASSY, RH, Incl 14 (Qty 1), 15 (Qty 1), 17, 20, 21 (Qty 1), 22 (Qty 1), 23, 24

1шт.

26

NSS

NOT SOLD SEPARAT

Support LH, Incl in 27

1шт.

27

47575116

SUPPORT

ASSY, LH, Incl 9 (Qty 1), 12, 14 (Qty 1), 15 (Qty 1), 16, 19, 21 (Qty 1), 22 (Qty 1), 26

1шт.

28

15239624

BOLT,Hex, M18 x 1.5 x 65mm, Cl 8.8

8шт.

29

10520324

WASHER,18.4mm ID x 32mm OD x 4mm Thk

8шт.

Выбрано товаров: 29