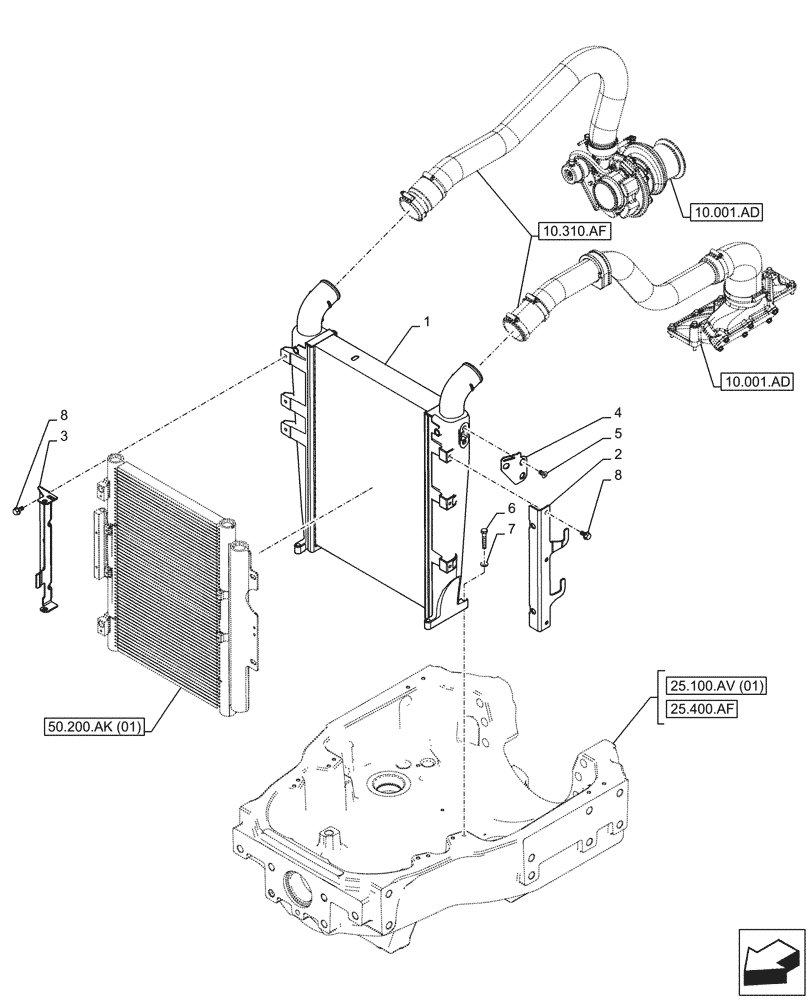
Запчасти Case IH MAXXUM 115 (10.310.AA[01]) - VAR - 392195, 392204, 743764, 743766, 758413, 759414, 758415, 758416, 758581, 759375, 759377, 759379 - AFTERCOOLER (10) - ENGINE

Схема запчастей Case IH MAXXUM 115 - (10.310.AA[01]) - VAR - 392195, 392204, 743764, 743766, 758413, 759414, 758415, 758416, 758581, 759375, 759377, 759379 - AFTERCOOLER (10) - ENGINE
50.200.ak (01)
1
8
8
2
4
5
3
7
6
25.400.af
10.310.af
10.001.ad
10.001.ad
25.100.av (01)
FIT
1:1
100%

Артикул

Название

Примечание

Количество

1

47523397

INTERCOOLER

1шт.

2

47711583

BRACKET

1шт.

3

47466713

BRACKET

1шт.

4

47523651

BRACKET

1шт.

5

14441927

SCREW,FLAT, M8 x 16mm, Cl 8.8

2шт.

6

300381

BOLT,Hex, M8 x 1.25 x 35mm, Cl 8.8

4шт.

7

14496501

WASHER,8.4mm ID x 17mm OD x 1.6mm Thk

4шт.

8

86511841

BOLT,Flng, M8 x 1.25 x 16mm, Full Thd, Cl 8.8

6шт.

Выбрано товаров: 8