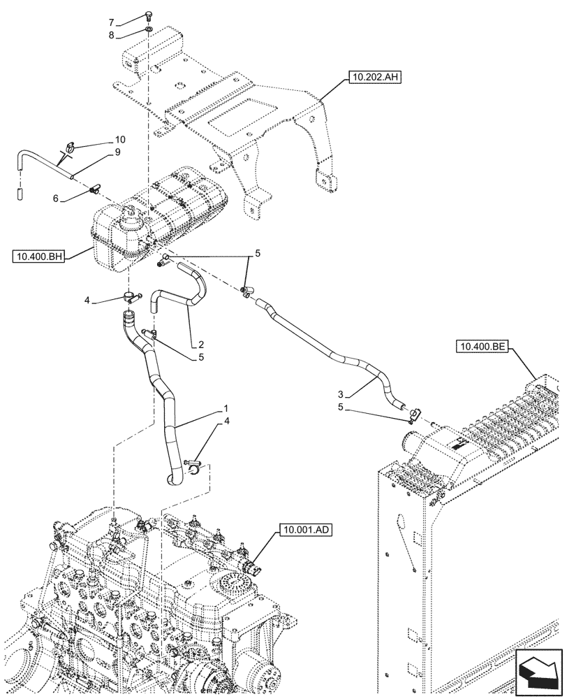
Запчасти Case IH MAXXUM 115 (10.400.AK[01]) - VAR - 392194, 392210, 758400, 758588 - EXPANSION TANK (10) - ENGINE

Схема запчастей Case IH MAXXUM 115 - (10.400.AK[01]) - VAR - 392194, 392210, 758400, 758588 - EXPANSION TANK (10) - ENGINE
10.400.bh
9
4
3
5
7
2
8
1
5
4
6
5
10
10.001.ad
10.400.be
10.202.ah
FIT
1:1
100%

Артикул

Название

Примечание

Количество

1

47623410

RADIATOR HOSE

1шт.

2

47743605

RADIATOR HOSE

1шт.

3

84141128

RADIATOR HOSE,9.00 mm ID x 510.00 mm, SAE J20R4 CLASS

1шт.

4

82039344

HOSE CLAMP,20mm - 32mm

2шт.

5

87313783

CLAMP,10mm - 16mm, Worm Gear

4шт.

6

13000090

HOSE CLAMP,8mm - 12mm, Worm Gear

1шт.

7

120103

BOLT,M8 x 1.25 x 16mm, Cl 8.8

4шт.

8

86624184

WASHER,9mm ID x 16mm OD x 1.6mm Thk

4шт.

9

82031702

TUBE,7.62mm ID X 1295mm

Radiator Overflow

1шт.

10

86566989

CABLE TIE,208mm L

1шт.

Выбрано товаров: 10