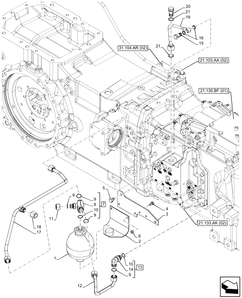
Запчасти Case IH MAXXUM 115 (21.103.AA[01]) - VAR - 394835, 758441 - ACCUMULATOR (21) - TRANSMISSION

Схема запчастей Case IH MAXXUM 115 - (21.103.AA[01]) - VAR - 394835, 758441 - ACCUMULATOR (21) - TRANSMISSION
21.103.aa (02)
19
13
9
7
12
4
18
9
5
20
10
9
15
1
2
17
21
14
10
11
16
9
8
21
3
6
31.104.ar (02)
21.133.ak (02)
21.130.bf (01)
FIT
1:1
100%

Артикул

Название

Примечание

Количество

1

5195043

ACCUMULATOR,0.75L

1шт.

2

82009123

SUPPORT

1шт.

3

82033143

BRACKET

1шт.

4

16043224

BOLT,Hex, M8 x 16mm, Cl 8.8

2шт.

5

15970324

SCREW,Hex, M10 x 1.25 x 16mm, Cl 8.8, Full Thd

2шт.

6

16100824

NUT,M8, Cl 10

2шт.

7

47130867

HYD CONNECTOR

ASSY, Incl 8, 9 (Qty 3), 10 (Qty 1)

1шт.

8

NSS

NOT SOLD SEPARAT

Tee, Incl in 7

1шт.

9

5185511

O-RING,1.78mm Thk x 12.42mm ID, 85 Duro

4шт.

10

14437985

O-RING,15.3mm ID x 2.4mm

2шт.

11

47123020

PLUG,Hex

1шт.

12

84295294

HYD TUBE

1шт.

13

5185054

ELBOW,90 Degrees, M18 x 1.5 ORB 13/16-16 ORFS

ASSY, Incl 9 (Qty 1), 10 (Qty 1), 14

1шт.

14

NSS

NOT SOLD SEPARAT

Elbow, Incl in 13

1шт.

15

10184311

BANJO BOLT,M14 x 1.5 x 27mm

1шт.

16

10261160

SEALING WASHER,M14.2 x 18 x 1.5, Copper

2шт.

17

47639816

PIPE

Inlet Accumulator

1шт.

18

9840575

CAP,13/16" - 16 ORFS

1шт.

19

47123594

HYD TUBE

1шт.

20

5196881

BANJO BOLT

1шт.

21

10259960

SEAL,Rectangular, 18.30mm ID x 24.00mm OD x 1.50mm, Copper

2шт.

Выбрано товаров: 21