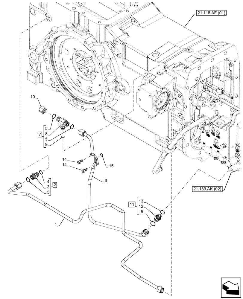
Запчасти Case IH MAXXUM 115 (21.109.AD[02]) - VAR - 394835, 758441 - OIL COOLER LINE (40KPH) (50KPH) (21) - TRANSMISSION

Схема запчастей Case IH MAXXUM 115 - (21.109.AD[02]) - VAR - 394835, 758441 - OIL COOLER LINE (40KPH) (50KPH) (21) - TRANSMISSION
21.133.ak (02)
11
8
5
4
14
15
5
2
13
14
5
9
12
1
6
3
7
10
5
21.118.af (01)
FIT
1:1
100%

Артикул

Название

Примечание

Количество

1

84426861

HYD TUBE

Pressure, PTO Lubrication

1шт.

2

5194065

HYD CONNECTOR,M18 x 1.5 x 36mm

ASSY, Incl 3 - 5

1шт.

3

NSS

NOT SOLD SEPARAT

Connector, Incl in 2

1шт.

4

14437985

O-RING,15.3mm ID x 2.4mm

1шт.

5

5185511

O-RING,1.78mm Thk x 12.42mm ID, 85 Duro

1шт.

6

84547413

TUBE

Lubrication

1шт.

7

87303747

TEE

ASSY, Incl 5, 8, 9

1шт.

8

NSS

NOT SOLD SEPARAT

Connector, Incl in

1шт.

9

14437685

O-RING,9.30mm ID x 2.40mm

1шт.

10

9840575

CAP,13/16" - 16 ORFS

1шт.

11

81863437

HYD CONNECTOR,M18 x 13/16"-16 ORS

ASSY, Incl 5, 12, 13

1шт.

12

NSS

NOT SOLD SEPARAT

Connector, Incl in 26

1шт.

13

83999938

SEAL,15.7mm ID x 20.9mm OD x 1.5mm Thk

1шт.

14

14306221

HEX SOC SCREW,M8 x 16mm, Cl 8.8, Full Thd

2шт.

15

577567

O-RING,9.92mm ID x 15.16mm OD x 2.62mm

1шт.

Выбрано товаров: 15