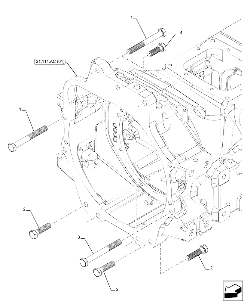
Запчасти Case IH MAXXUM 115 (21.111.AC[07]) - VAR - 392195, 392204, 743764, 743766, 758413, 758414, 758415, 758416, 758581, 759375, 759377, 759379 - TRANSMISSION HOUSING, MOUNTING (21) - TRANSMISSION

Схема запчастей Case IH MAXXUM 115 - (21.111.AC[07]) - VAR - 392195, 392204, 743764, 743766, 758413, 758414, 758415, 758416, 758581, 759375, 759377, 759379 - TRANSMISSION HOUSING, MOUNTING (21) - TRANSMISSION
21.111.ac (01)
2
2
1
2
4
3
1
FIT
1:1
100%

Артикул

Название

Примечание

Количество

1

15982134

BOLT,Hex, M16 x 1.5 x 140mm, Cl 10.9

4шт.

2

15981234

BOLT,Hex, M16 x 1.5 x 65mm, Cl 10.9

4шт.

3

15982334

BOLT,Hex, M16 x 1.5 x 150mm, Cl 10.9

2шт.

4

15840534

BOLT,Hex, M16 x 1.5 x 50mm, Cl 10.9, Full Thd

1шт.

Выбрано товаров: 4