Качественные детали и логистика
Оригинальные и аналоговые запчасти с доставкой по России, Казахстану и Беларуси
©2022 PartSell ООО "Система" ИНН 2463123282 ОГРН 1212400004838
Центральный офис: г. Красноярск, Академика Киренского, д.87, пом.4
Телефон: 8 (800) 777-65-74 Email: zakaz@partsell.ru
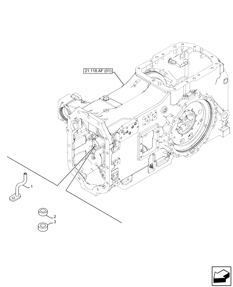
(21.118.AB) - VAR - 390911, 743811 - TRANSMISSION HOUSING, PIPE PLUG
№
Артикул
Название
Примечание
Количество
1
47135779
TUBE
1шт.
2
14328901
PLUG,M25, Tapered
3
10269801
PLUG,Cyl, M22 x 1.5mm
Выбрано товаров: 0