Запчасти Case IH MAXXUM 115 (21.133.AK[01]) - VAR - 390811, 392195, 392204, 743764, 743766, 744790, 758413, 758414, 758415, 758416, 758581, 759375, 759377, 759379 - TRANSMISSION CONTROL VALVE (21) - TRANSMISSION

Схема запчастей Case IH MAXXUM 115 - (21.133.AK[01]) - VAR - 390811, 392195, 392204, 743764, 743766, 744790, 758413, 758414, 758415, 758416, 758581, 759375, 759377, 759379 - TRANSMISSION CONTROL VALVE (21) - TRANSMISSION
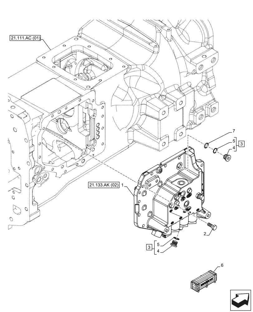
21.111.ac (01)
2
4
3
5
4
6
5
3
7
1
21.133.ak (02)
FIT
1:1
100%

Артикул

Название

Примечание

Количество

1

NS

NOT SERVICED

ASSY

1шт.

Components available on Figure 21.133.AK 02

1шт.

2

11306924

BOLT,Hex, M10 x 1.25 x 30, 8.8, Full Thd

16шт.

3

10119311

PLUG,M16 x 1.5 x 12, Cl5.8

ASSY, Incl 4 (Qty 1), 5 (Qty 1)

2шт.

Without Front Hydraulic Power Lift (Qty 1)

1шт.

4

NSS

NOT SOLD SEPARAT

Plug, Incl in 3

2шт.

5

86598100

O-RING,2.2mm Thk x 13.3mm ID, Cl 6, 90 Duro

2шт.

6

47798580

GEARBOX

Transmission ASSY, Incl 1 - 5

1шт.

See all the Included Components by Searching for the PN 47798580

1шт.

7

14437885

O-RING,13.30mm ID x 2.40mm

1шт.

Without Front Hydraulic Power Lift (Qty 1)

1шт.

Выбрано товаров: 11