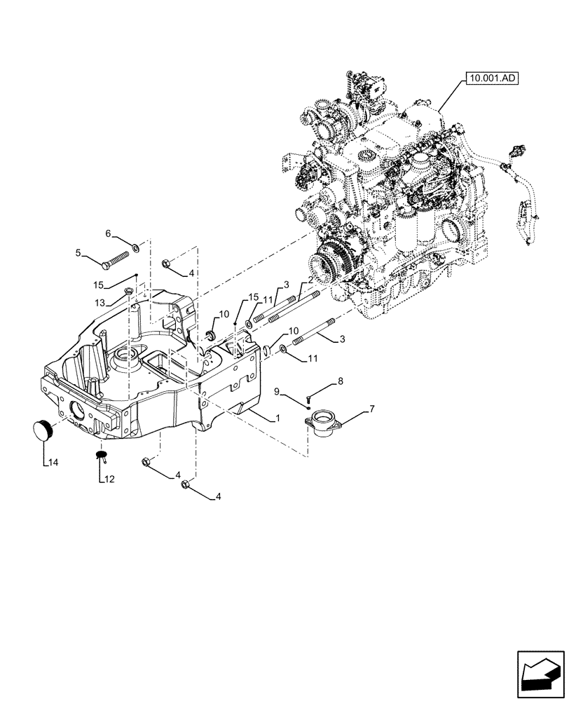
Запчасти Case IH MAXXUM 115 (25.100.AV[02]) - VAR - 390811 - 4WD FRONT AXLE, W/O FRONT PTO, SUPPORT (25) - FRONT AXLE SYSTEM

Схема запчастей Case IH MAXXUM 115 - (25.100.AV[02]) - VAR - 390811 - 4WD FRONT AXLE, W/O FRONT PTO, SUPPORT (25) - FRONT AXLE SYSTEM
10.001.ad
3
10
15
4
8
4
11
3
2
4
1
14
12
15
6
9
5
11
7
13
10
FIT
1:1
100%

Артикул

Название

Примечание

Количество

1

84380303

BOLSTER

1шт.

2

87333612

STUD,M20 x 1.5 x 295mm, Cl 12.9

3шт.

3

87333613

STUD,M20 x 1.5 x 240mm L

2шт.

4

87312644

NUT,Hex, M20, 1.5 Pitch, 16mm High, Gr R12

5шт.

5

82029234

BOLT,Hex, M20 x 1.5 x 125mm, Cl 12.9

3шт.

6

82028022

WASHER,M8 x 1.25 ID x 40mm OD x 9mm Thk, CRLC or HRLC Steel

3шт.

7

82030470

SUPPORT

1шт.

8

16043621

BOLT,Hex, M8 x 1.25 x 25mm, Cl 8.8, Full Thd

2шт.

9

10571779

LOCK WASHER,Helical Spring, 8.10mm ID x 14.80mm OD x 2.00mm, ZNM

2шт.

10

82018767

SPACER,34mm ID x 44mm OD x 15.5mm L

2шт.

11

82026240

SHIM,20.2mm ID x 50mm OD x 4.5mm Thk

2шт.

11

82026241

SHIM,20.2mm ID x 50mm OD x 4.8mm Thk

1шт.

11

82026242

SHIM,20.2mm ID x 50mm OD x 5.1mm Thk

1шт.

11

82026243

SHIM,20.2mm ID x 50mm OD x 5.4mm Thk

1шт.

11

82026244

SHIM,20.2mm ID x 50mm OD x 5.7mm Thk

1шт.

11

82026245

SHIM,20.2mm ID x 50mm OD x 6mm Thk

1шт.

11

82026246

SHIM,20.2mm ID x 50mm OD x 6.3mm Thk

1шт.

11

82026247

SHIM,20.2mm ID x 50mm OD x 6.6mm Thk

1шт.

11

82026248

SHIM,20.2mm ID x 50mm OD x 6.9mm Thk

1шт.

11

82026249

SHIM,20.2mm ID x 50mm OD x 4.5mm Thk

1шт.

11

82026250

SHIM,20mm ID x 50mm OD x 7.5mm Thk

1шт.

11

82026251

SHIM,20.2mm ID x 50mm OD x 7.8mm Thk

1шт.

12

82021866

GRILLE

1шт.

13

87305541

PLASTIC PLUG,26.00mm, 36.00mm OD, 16.00mm D

1шт.

14

82027992

PLUG,80.00mm, 90.00mm OD, 32.00mm D

1шт.

15

82035752

PLASTIC PLUG,7.00mm, 11.00mm OD, 5.5mm D

4шт.

Выбрано товаров: 26