Запчасти Case IH MAXXUM 115 (25.100.AV[05]) - VAR - 743699, 743700 - 4WD FRONT AXLE, INTEGRATED HYDRAULIC LIFT, SUPPORT (25) - FRONT AXLE SYSTEM

Схема запчастей Case IH MAXXUM 115 - (25.100.AV[05]) - VAR - 743699, 743700 - 4WD FRONT AXLE, INTEGRATED HYDRAULIC LIFT, SUPPORT (25) - FRONT AXLE SYSTEM
25.100.av (07)
13
10
9
9
4
3
15
11
18
7
6
16
2
1
5
12
10
10
8
10
14
17
10
37.166.ad (03)
37.166.ab (03)
10.001.ad
25.100.av (07)
FIT
1:1
100%

Артикул

Название

Примечание

Количество

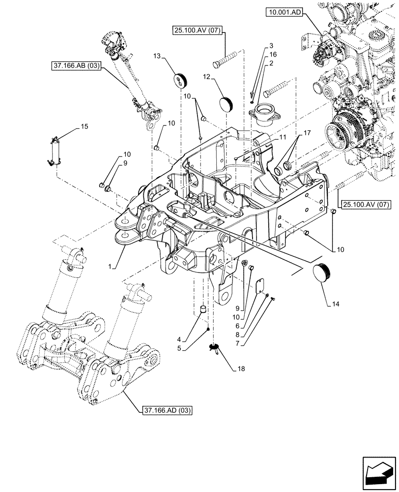
1

47665028

SUPPORT

1шт.

2

82030470

SUPPORT

1шт.

3

43127

BOLT,Hex, M8 x 1.25 x 25mm, Cl 8.8

2шт.

4

82019459

PLUG,Polypropylene Air cleaner hose

1шт.

5

83908579

PLUG,M7.62

2шт.

6

87643929

PLATE

less Switch External FHPL

1шт.

7

10902124

SCREW,Hex, M6 x 14mm, Cl 8.8

2шт.

8

14496501

WASHER,8.4mm ID x 17mm OD x 1.6mm Thk

2шт.

9

82037171

PLASTIC PLUG,22.00mm, 32.00mm OD

4шт.

10

85700666

PLASTIC PLUG,17.14mm, 22.22mm OD, 12.70mm D

16шт.

11

87523187

PLUG,M12 x 1.5

M12 x 1

2шт.

12

82023395

PLUG,60mm ID

2шт.

13

82023398

PLUG

1шт.

14

82027992

PLUG,80.00mm, 90.00mm OD, 32.00mm D

1шт.

15

47457860

PIN,31.5mm OD x 128mm L

1шт.

16

10571779

LOCK WASHER,Helical Spring, 8.10mm ID x 14.80mm OD x 2.00mm, ZNM

2шт.

17

82018767

SPACER,34mm ID x 44mm OD x 15.5mm L

2шт.

18

82021866

GRILLE

1шт.

Выбрано товаров: 0