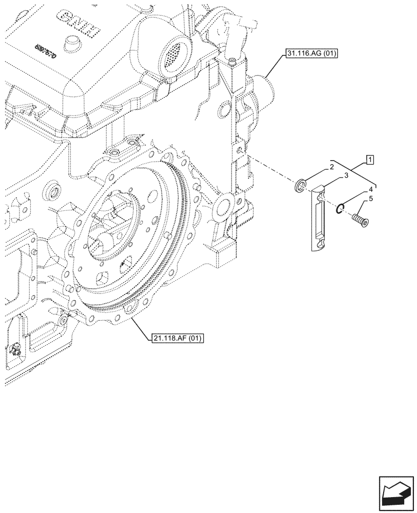
Запчасти Case IH MAXXUM 115 (27.100.AA[01]) - VAR - 391828 - REAR AXLE, OIL, LEVEL INDICATOR (27) - REAR AXLE SYSTEM

Схема запчастей Case IH MAXXUM 115 - (27.100.AA[01]) - VAR - 391828 - REAR AXLE, OIL, LEVEL INDICATOR (27) - REAR AXLE SYSTEM
21.118.af (01)
5
1
2
3
4
31.116.ag (01)
FIT
1:1
100%

Артикул

Название

Примечание

Количество

1

87348844

INDICATOR

ASSY, Incl 2 - 5

1шт.

2

87349969

RUBBER SEAL

2шт.

3

NSS

NOT SOLD SEPARAT

Plate, Incl in 1

1шт.

4

47130060

O-RING

2шт.

5

47130059

SCREW,Pan HD, M12 x 41mm

2шт.

Выбрано товаров: 5