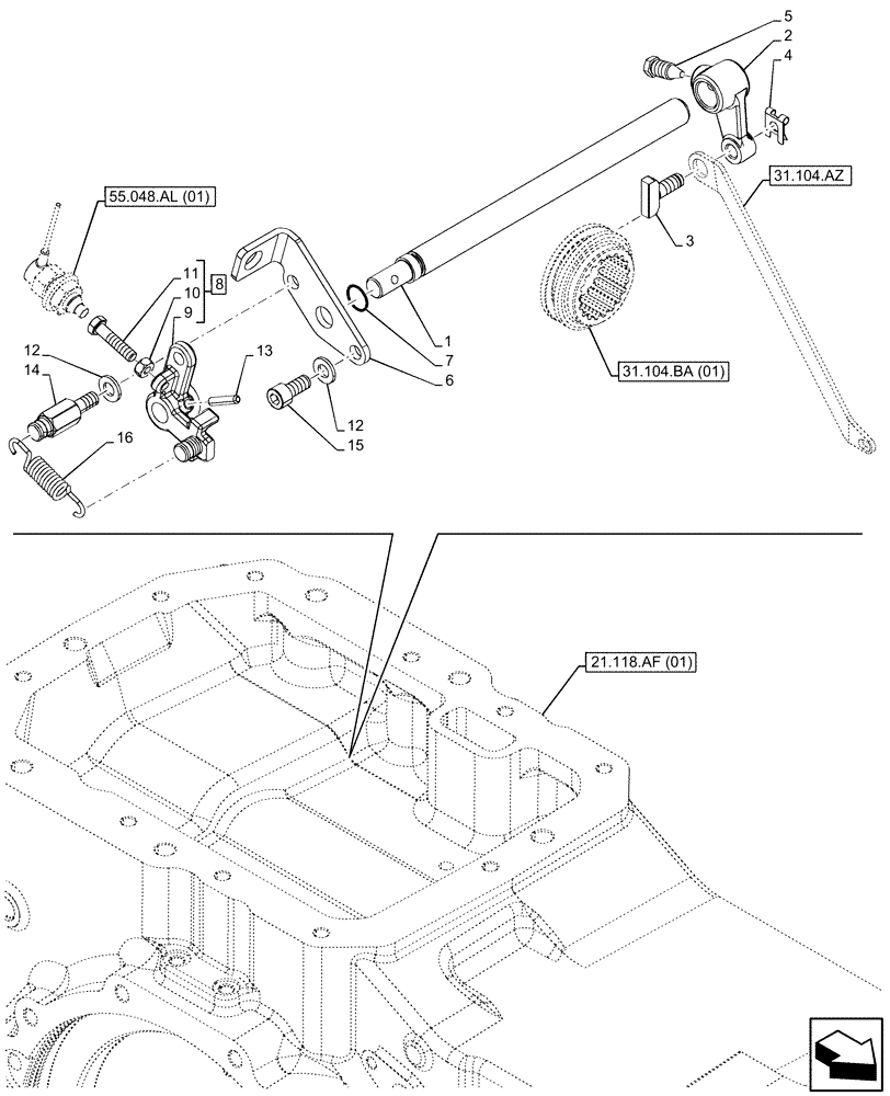
Запчасти Case IH MAXXUM 115 (31.104.AY) - VAR - 744740, 758439, 758586, 758587 - PTO, GROUND SPEED, LEVER (540/540E/1000 RPM) (31) - IMPLEMENT POWER TAKE OFF

Схема запчастей Case IH MAXXUM 115 - (31.104.AY) - VAR - 744740, 758439, 758586, 758587 - PTO, GROUND SPEED, LEVER (540/540E/1000 RPM) (31) - IMPLEMENT POWER TAKE OFF
31.104.ba (01)
12
5
8
4
13
10
12
7
2
6
15
11
16
14
1
3
9
21.118.af (01)
31.104.az
55.048.al (01)
FIT
1:1
100%

Артикул

Название

Примечание

Количество

1

47127553

PIN

1шт.

2

5192254

LEVER

1шт.

3

5192512

BLOCK

1шт.

4

11064171

SPRING CLIP,M10 x 8

1шт.

5

44013453

SCREW,Hex, M12 x 1.25 x 33mm

1шт.

6

47127446

SUPPORT

1шт.

7

14457280

O-RING,0.103" Thk x 0.612" ID, -114, Cl 5, 75 Duro

1шт.

8

47127684

LEVER

ASSY, Incl 9 - 10

1шт.

9

47127587

LEVER

1шт.

10

16100814

NUT,M8, Cl 8, DAC

1шт.

11

16043724

BOLT,Hex, M8 x 1.25 x 28mm, Cl 8.8, Full Thd

1шт.

12

11190574

BELLEVILLE WASHER,M10 Bolt Size x 20mm OD x 2.3mm Thk

2шт.

13

14604271

PIN,M6 x 32, Coiled

1шт.

14

47127576

PIN

1шт.

15

14360121

HEX SOC SCREW,M10 x 1.25 x 22mm, Cl 8.8, Full Thd

1шт.

16

47127609

SPRING

1шт.

Выбрано товаров: 16