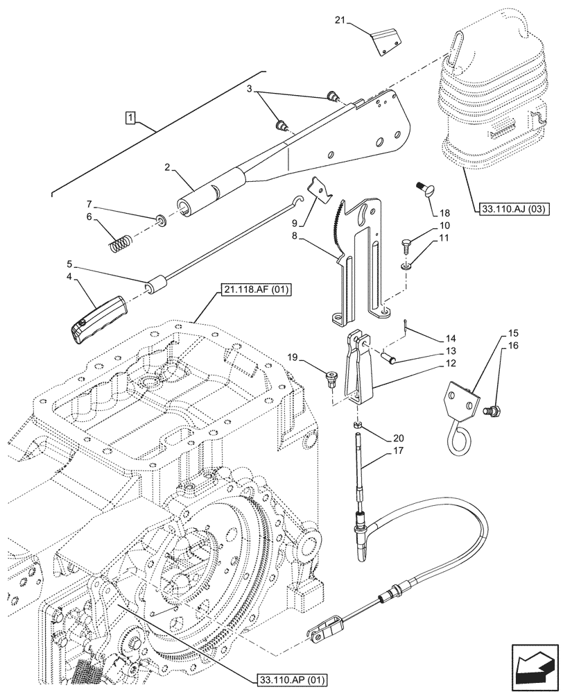
Запчасти Case IH MAXXUM 115 (33.110.AJ[01]) - VAR - 391283, 391284, 391285, 758362, 758485, 758486, 758583, 758670, 758671, 758674, 758675 - HAND BRAKE, LEVER (33) - BRAKES & CONTROLS

Схема запчастей Case IH MAXXUM 115 - (33.110.AJ[01]) - VAR - 391283, 391284, 391285, 758362, 758485, 758486, 758583, 758670, 758671, 758674, 758675 - HAND BRAKE, LEVER (33) - BRAKES & CONTROLS
21.118.af (01)
5
7
14
18
3
4
10
6
19
8
20
12
1
17
21
15
13
2
9
11
16
33.110.ap (01)
33.110.aj (03)
FIT
1:1
100%

Артикул

Название

Примечание

Количество

1

84174329

BRAKE LEVER

ASSY, Incl 2 - 9

1шт.

2

NSS

NOT SOLD SEPARAT

Brake Lever, Incl in 1

1шт.

3

82000812

PIN,7.8mm OD x 7.4mm L

2шт.

4

81866090

HANDLE GRIP

1шт.

5

81870377

BUTTON

1шт.

6

84199076

SPRING,11.25mm OD x 44.5mm L

1шт.

7

81866092

WASHER,5.5mm ID x 13.4mm OD x 1.2mm Thk

1шт.

8

82863025

PAWL,4.5mm Thk

1шт.

9

84174325

SUPPORT

1шт.

10

11106224

SCREW,Hex, M10 x 25mm, Cl 8.8, Full Thd

2шт.

11

14496601

WASHER,10.5mm ID x 21mm OD x 2mm Thk

2шт.

12

84140224

CLEVIS

1шт.

13

83902558

PIN,3/8" x 1.312"

1шт.

14

81813880

COTTER PIN,3/32" x 3/4"

1шт.

15

82034369

SLIDE GUIDE

W/ Suspension

1шт.

16

16043221

BOLT,Hex, M8 x 16mm, Cl 8.8, Full Thd

2шт.

17

84140203

BOWDEN CONTROL

1шт.

18

81870039

FASTENER,M8 x 1.5 x 22mm

W/O Suspension

2шт.

19

82000974

NUT,Adj., M8, 1.25 Pitch, 23.00mm High, Zinc

1шт.

20

16100811

NUT,Hex, M8, 6.80mm, Cl 8, ZND

1шт.

21

84199077

PROTECTION PLATE

1шт.

Выбрано товаров: 21